ABLIC S-8471 Wireless Power Receiver Control IC

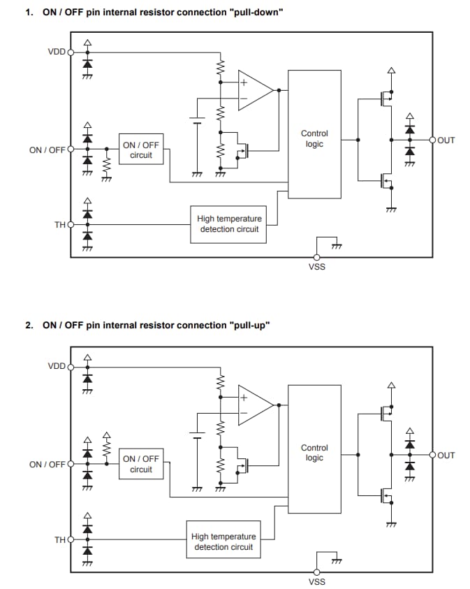
ABLIC S-8471 Wireless Power Receiver Control IC is configured with an overvoltage detection circuit, an ON/OFF circuit, and a high-temperature detection circuit. This wireless power IC features 400mW power dissipation, 50μA maximum current consumption (during operation), and ±2% overvoltage detection accuracy. The S-8471 IC operates at 0.95V to 6.5V voltage and -40°C to 85°C temperature range. This wireless power IC is lead- and halogen-free and is available in the SNT-6A package. The S-8471 IC is used in devices for wireless power and small-sized wireless charging system applications.

Features

  • Active H and active L selelectable ON/OFF pin control logic
  • Unavailable, pull-up, and pull-down selectable ON/OFF pin internal resistor connection
  • Over temperature protection function
  • Lead and halogen-free
  • Available in the SNT-6A package

Specifications

  • 0.95V to 6.5V operating voltage range
  • 4V to 5.5V overvoltage detection voltage range (selectable in 50mV step)
  • ±2% overvoltage detection accuracy
  • 400mW power dissipation (when mounted on board)
  • 50μA maximum current consumption (during operation)
  • -40°C to 85°C operating temperature range

Applications

  • Devices for wireless power
  • Small-sized wireless charging system

Block Diagrams

Block Diagram - ABLIC S-8471 Wireless Power Receiver Control IC

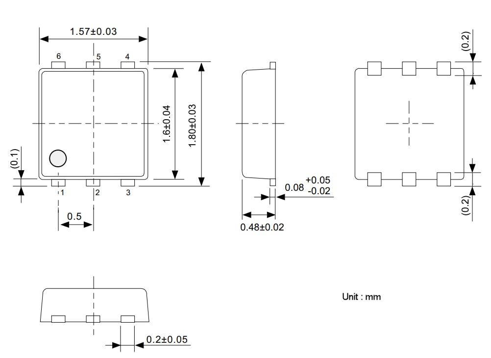
Mechanical Diagram

Mechanical Drawing - ABLIC S-8471 Wireless Power Receiver Control IC
Publicado: 2023-03-27 | Actualizado: 2023-04-11