Amphenol Aerospace Octal 1000BASE-T to SGMII Converters
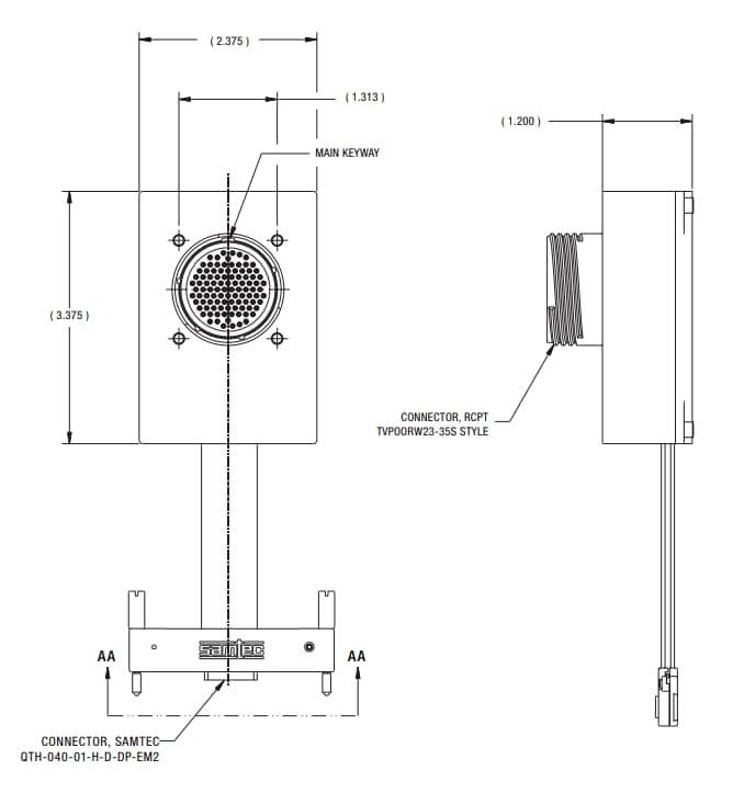
Amphenol Aerospace Octal 1000BASE-T to SGMII Converters are a rugged, flexible expression of SerDes technology, supporting eight ports of IEEE 802.3ab-compliant, Gigabit Ethernet. On its 1000 BASE-T copper interface, this naturally convection-cooled solution offers (100) size 22 contacts in a D38999 shell size 23 design. On its SGMII interface, the Amphenol Aerospace converter modules feature a Samtec Q series® high-speed cable assembly. Together, these octal media converters consume less than 5W power, requiring a 5V power connection in the Samtec connector.Features
- Converts 1000BASE-T to SGMII
- IEEE 802.3ab compliant
- Low-power consumption, <5W
- 1000BASE-T copper interface
- D38999 shell size 23
- (100) size 22 contacts
- SGMII interface
- Samtec Q series® high-speed cable assembly
- Natural convection cooled (no fan or cold plate required)
- -40°C to +85°C operating temperature (-50°C to +125°C storage)
- EMI/EMC compatible
Dimensional Drawing
8 Ports - Gigabit Ethernet
Publicado: 2018-08-30
| Actualizado: 2022-08-08
