ams OSRAM Metal Can® PLT5 Laser Diodes

ams OSRAM PLT5 Laser Diodes are single transverse mode semiconductor lasers with a high modulation bandwidth and are available in green and blue colors. The PLT5 laser diodes are available in a T056 package with a photodiode and feature an efficient radiation source for Continuous Wave (CW) and pulsed operation. These laser diodes are available in different variants based on color, optical output power, and typical emission wavelength. Specific applications include laser projection, laser shows, biomedical applications, and metrology.

Features

  • 10mW to 110mW (Tcase= 25°C) optical output power (continuous wave)
  • 450nm to 520nm typical emission wavelength
  • Efficient radiation source for CW and pulsed operation
  • Single transverse mode semiconductor lasers
  • High modulation bandwidth
  • Robust 5.6mm diameter TO-56 Metal Can package

Applications

  • Laser projection
  • Laser shows
  • Presenter
  • Biomedical
  • Metrology

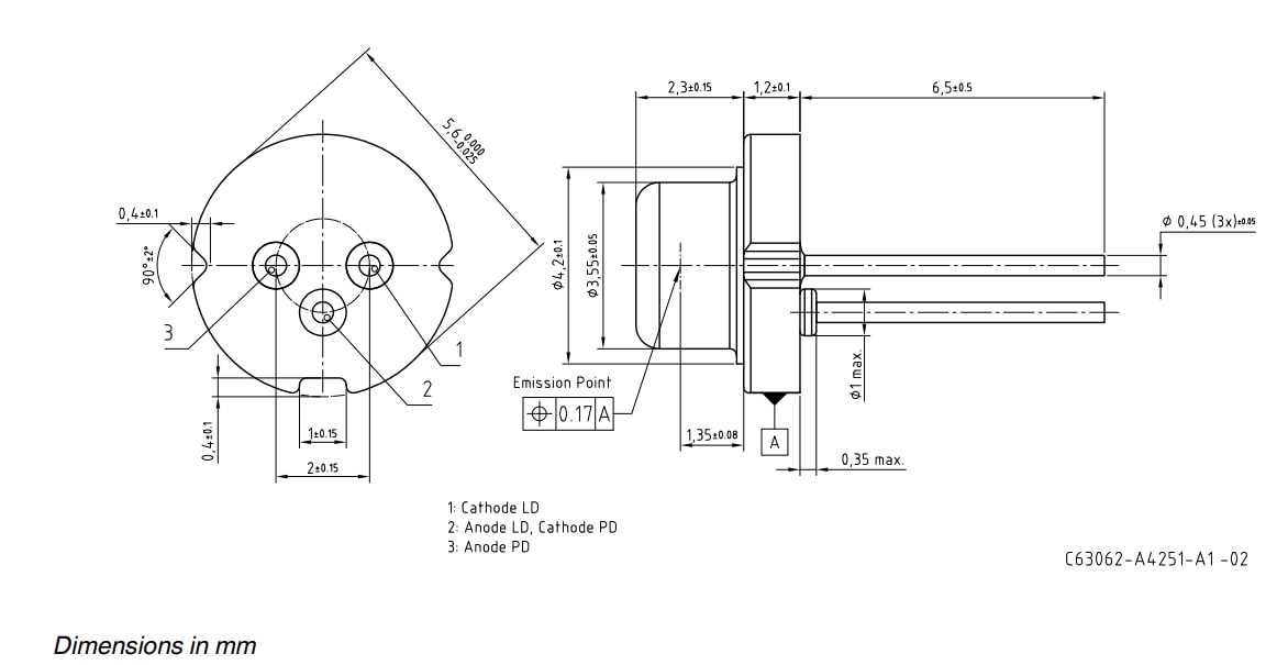
TO-56 Package Overview

ams OSRAM Metal Can® PLT5 Laser Diodes

TO56 Package Outline

Mechanical Drawing - ams OSRAM Metal Can® PLT5 Laser Diodes
View Results ( 10 ) Page
N.º de artículo Hoja de datos Descripción Potencia de salida Longitud de onda Vf - Tensión directa Temperatura de trabajo mínima Temperatura de trabajo máxima
PLT3 450GB PLT3 450GB Hoja de datos Diodos láser METAL CAN TO38 BLU LASER DIODE 100 mW 450 nm 5.2 V - 20 C + 70 C
PLT5 450GB PLT5 450GB Hoja de datos Diodos láser BLUE LASER DIODE METAL CAN 100 mW 450 nm 5.2 V - 20 C + 70 C
PLT5 520EB_Q PLT5 520EB_Q Hoja de datos Diodos láser Green laser diode, PLT5 520EB_Q- 20mW green laser diode in robust TO56 package 20 mW 520 nm - 20 C + 70 C
PLT5 520FB_P PLT5 520FB_P Hoja de datos Diodos láser Green laser diode, PLT5 520FB_P - 50mW green laser diode in robust TO56 package 50 mW 520 nm - 20 C + 60 C
PLT5 488 PLT5 488 Hoja de datos Diodos láser Laser Diode TO56 488 nm - 20 C + 60 C
PLT3 520FB PLT3 520FB Hoja de datos Diodos láser GREEN LASER TO38 50 mW 520 nm - 20 C + 60 C
PLT5 518FB_P PLT5 518FB_P Hoja de datos Diodos láser Green laser diode, PLT5 518FB_P - 30mW green laser diode in robust TO56 package 30 mW 520 nm - 20 C + 60 C
PLT5 520DB_P PLT5 520DB_P Hoja de datos Diodos láser Green laser diode, PLT5 520DB_P - 10mW green laser diode in robust TO56 package 10 mW 515 nm - 20 C + 60 C
PLT5 520EB_P PLT5 520EB_P Hoja de datos Diodos láser Green laser diode, PLT5 520EB_P - 20mW green laser diode in robust TO56 package 20 mW 520 nm - 20 C + 60 C
PLT5 520B PLT5 520B Hoja de datos Diodos láser Green Laser Diode 520nm, 110mW 110 mW 520 nm 6.4 V - 10 C + 85 C
Publicado: 2018-06-14 | Actualizado: 2024-07-31