Analog Devices Inc. AD8428 Instrumentation Amplifier
Analog Devices Inc. AD8428 Instrumentation Amplifier is designed for accurately measuring tiny, high-speed signals. It delivers industry-leading gain-accuracy, noise, and bandwidth. ADI AD8428 features fixed gain of 2000 and is one of the industry's fastest instrumentation amplifiers. The circuit architecture is designed for high bandwidth at high gain. The high CMRR of the AD8428 prevents unwanted signals from corrupting the acquisition. The part's pin-out is designed to avoid parasitic capacitance mismatches that can degrade CMRR at high frequencies. This ADI device is ideal for use in sensor interface, medical instrumentation, and patient monitoring applications.Features
- Fixed gain of 2000
- Access to internal nodes provides flexibility
- 1.5nV/√Hz input voltage low noise
- High accuracy dc performance
- 10ppm/°C Gain drift
- 1μV/°C Offset drift
- 0.2% Gain accuracy
- 130dB min CMRR
- Excellent ac specifications
- 3.5MHz Bandwidth
- 40V/μs Slew rate
- ±4V to ±18V Power supply range
- 8-pin SOIC package
- ESD protection >5000V (HBM)
- −40°C to +85°C Temperature range for specified performance
- Operational up to 125°C
Applications
- Sensor interface
- Medical instrumentation
- Patient monitoring
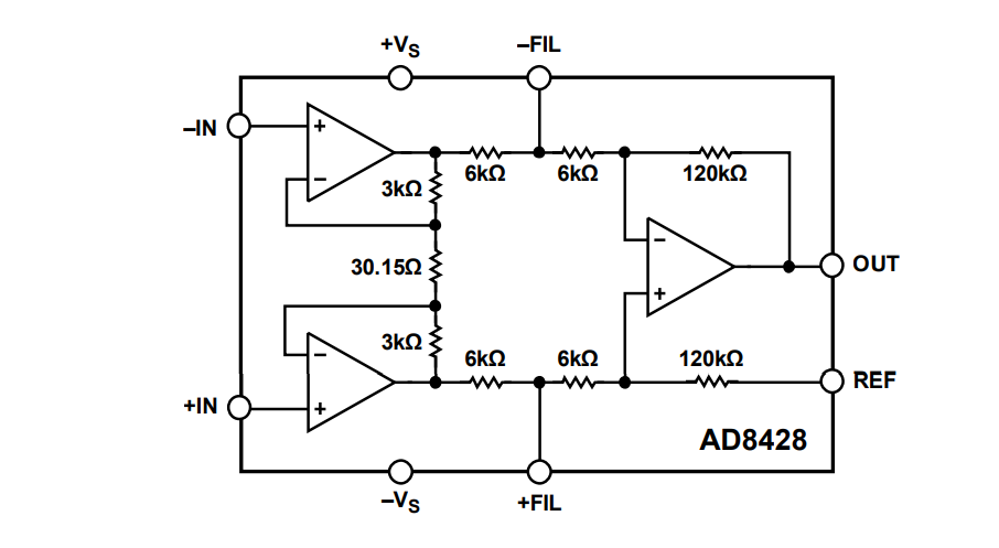
Block Diagram
Publicado: 2013-04-25
| Actualizado: 2022-03-11
