Analog Devices Inc. ADAQ4381-4 Quad-Channel DAQ Module
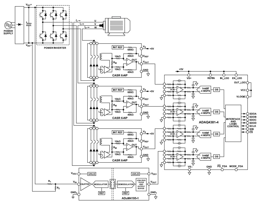
Analog Devices Inc. ADAQ4381-4 Quad-Channel Data Acquisition (DAQ) Module is designed for precision and efficiency. This device integrates a high resolution 14-bit, 4 MSPS ADC, ADC driver, and power management in a single device. Using SIP technology, the ADAQ4381-4 module reduces end-system component count by combining multiple common signal processing and conditioning blocks into a single device. The module supports fully differential and single-ended inputs, ensuring flexibility across various applications. Ideal for industrial automation, medical imaging, and test equipment, the ADAQ4381-4 combines high-speed performance with space-saving integration.Features
- Easy to use μModule® data acquisition system:
- 11x footprint reduction versus discrete solution
- Integrated critical passive components
- 5V single-supply operation
- Guaranteed 14-bit no missing codes
- On-chip oversampling function
- 2-bit resolution boost
- Out-of-range indicator (ALERT)
- SNR (typical):
- 85dB at gain = 1, fIN = 1kHz
- 92.4dB with OSR = x8 at gain = 1, fIN = 1kHz
- Channel-to-channel phase matching: 0.005° typical at fIN = 20kHz
- Integrated high precision reference, 3ppm/°C typical drift
- 0.003% typical gain error
- 0.8ppm/°C typical gain drift
- Integrated internal buffer with VCM generation
- Integrated fully differential ADC driver with signal scaling:
- Wide input common-mode voltage range
- High common-mode rejection
- Single-ended to differential conversion
- High-speed serial interface
Applications
- Lab grade battery test system
- Motor control current sense
- Motor control position feedback
- Sonar
- Power quality monitoring
- Data acquisition system
- Erbium-Doped Fiber Amplifier (EDFA) requirements
- I and Q demodulation
Application Circuit Diagram
Publicado: 2025-01-27
| Actualizado: 2025-03-14
