Analog Devices Inc. ADG1236 Dual SPDT Switch
Analog Devices Inc. ADG1236 Dual SPDT Switch is a monolithic CMOS device containing two independently selectable Single-Pole Double-Throw (SPDT) switches. The ADG1236 is based on the iCMOS (industrial CMOS) modular manufacturing process, combining high voltage complementary metal-oxide-semiconductor and bipolar technologies. The ultralow capacitance and charge injection of the ADG1236 make it an ideal solution for data acquisition and sample-and-hold applications, where low glitch and fast settling are required. Fast switching speed coupled with high signal bandwidth makes this device suitable for video signal switching. The iCMOS construction ensures ultralow power dissipation, making the device ideal for portable and battery-powered instruments.Each of the two integrated SPDT switches conducts equally well in both directions when on and has an input signal range that extends to the supplies. In the off condition, signal levels up to the supplies are blocked. Both switches exhibit break-before-make switching action for use in multiplexer applications.
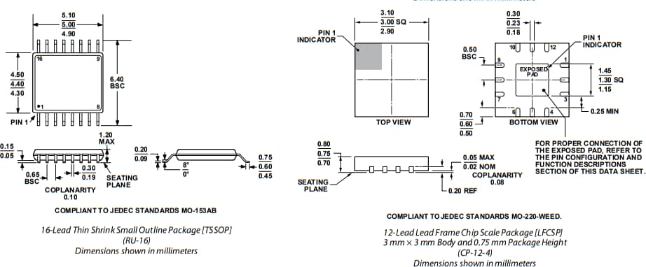
The Analog Devices Inc. ADG1236 Dual SPDT Switch is available in TSSOP-16 and LFCSP-12 packages with a -40°C to +125°C operating temperature range.
Features
- 1.3pF off capacitance
- 3.5pF on capacitance
- 1pC charge injection
- 33V supply range
- 120Ω on resistance
- Fully specified at +12V, ±15V
- No VL supply required
- 3V logic-compatible inputs
- Low <0.03µW power consumption (typical)
- Rail-to-rail operation
- -40°C to +125°C operating temperature range
- TSSOP-16 and LFCSP-12 package options
Applications
- Automatic test equipment
- Data acquisition systems
- Battery-powered devices
- Sample-and-hold systems
- Audio and video signal routing
- Communication systems
Block Diagram
Package Outline
Publicado: 2022-03-04
| Actualizado: 2022-03-11
