Analog Devices Inc. EV-AD74412RSDZ Evaluation Board

Analog Devices EV-AD74412RSDZ Evaluation Board develops the features of the AD74412R, which is a quad-channel, software-configurable input/output device. The device has functionality for analog output, analog input, digital input, and resistance temperature detector (RTD) measurements integrated into a single-chip solution with a serial peripheral interface (SPI)-compatible interface. The board can be controlled via a system demonstration platform (SDP). The board also requires an AVDD operating supply of 14V to 26.4V but can use power from a PC when connected.

Features

  • Functionality for analog output, analog input, digital input, and RTD measurements
  • Can be controlled via SDP
  • Requires an 14V to 26.4V AVDD operating supply
  • Can use power from a PC when connected

Kit Contents

  • Fully featured evaluation board for the AD74412R
  • On-board 2.5V ADR4525 reference
  • Serial peripheral interface
  • PC-based software for control

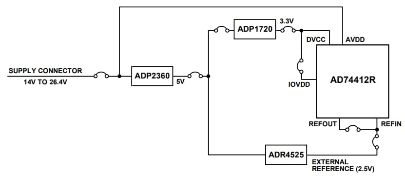
Simplified Power Diagram

Block Diagram - Analog Devices Inc. EV-AD74412RSDZ Evaluation Board
Publicado: 2019-11-25 | Actualizado: 2024-03-08