Analog Devices Inc. EV-ADF4368SD1Z Evaluation Board
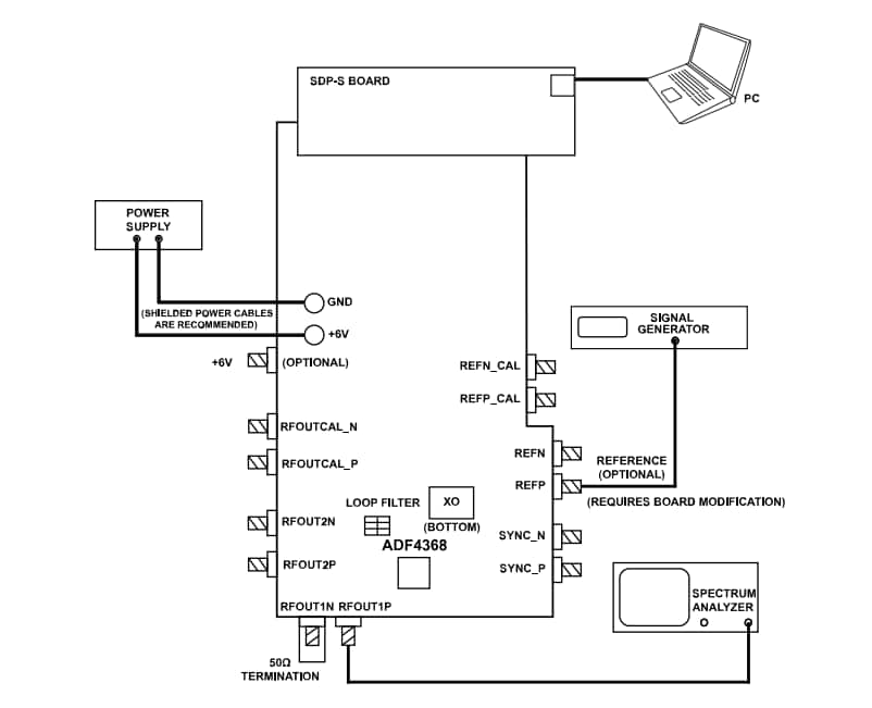
Analog Devices EV-ADF4368SD1Z Evaluation Board demonstrates the ADF4368 fractional frequency synthesizer with an integrated voltage-controlled oscillator (VCO) for phase-locked loops (PLLs). The EV-ADF4368SD1Z includes the ADF4368 frequency synthesizer with an integrated VCO, a USB interface, power supply connectors, an on-board reference oscillator, propagation delay calibration paths, and Subminiature Version A (SMA) connectors. The outputs are AC-coupled with 50Ω transmission lines making the outputs appropriate to drive 50Ω impedance instruments. The ADI EV-ADF4368SD1Z needs an SDP-S board (not supplied with the kit). The SDP-S permits software programming of the EV-ADF4368SD1Z with ACE software.Features
- Self-contained board, including ADF4368 frequency synthesizer with integrated VCO, loop filter, USB interface, onboard reference oscillator, propagation delay calibration paths, and voltage regulators
- Windows®-based software allows control of synthesizer functions from a PC
- Externally powered by 6V
Required Equipment
- Windows-based PC with USB port for evaluation software
- System demonstration platform, serial only (SDP-S) EVAL-SDPCS1Z controller board
- Power supply (6V)
- Spectrum analyzer or phase noise analyzer
- 50Ω terminators
- Low noise REFIN source (optional)
Additional Resources
Setup Diagram
PCB Layout
Publicado: 2023-07-31
| Actualizado: 2025-03-20
