Analog Devices Inc. LTC4283 Negative Voltage Hot Swap Controllers

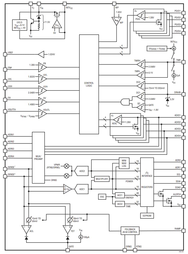
Analog Devices Inc. LTC4283 Negative Voltage Hot Swap Controllers drive an external N-channel MOSFET that allows a circuit board to be safely inserted and removed from a live backplane. Analog Devices LTC4283 Negative Voltage Hot Swap Controllers feature programmable current limits with foldback and independently adjustable in-rush currents to optimize the MOSFET safe-operating area (SOA). The SOA timer limits MOSFET temperature rises for reliable protection against being overstressed. An I2C interface and onboard gear-shift analog-to-digital converter (ADC) allow monitoring of board current, voltage, power, energy, and fault status.

Features

  • Allows safe insertion into live -48V backplanes
  • Protects MOSFET with SOA timer
  • 15mV to 30mV programmable current limit sense voltage with 2% accuracy and adjustable foldback
  • 8-bit to 16-bit gear-shift ADC with 0.5% accuracy
  • Monitors voltages, currents, power, and energy
  • Nonvolatile configuration and fault recording
  • Floating topology for rugged high-voltage operation
  •  dV/dt or current limit selectable inrush control
  • I2C/SMBus or single-wire broadcast interfaces
  • Minimum/maximum ADC measurement logging with alerts
  • Reboots on I2C command with programmable delay
  • Adjustable input UV/OV thresholds and hysteresis
  • 38-pin, 5mm × 7mm QFN package

Applications

  • Telecom infrastructure
  • -48V distributed power systems
  • Servers and data centers
  • Power monitors

Block Diagram

Block Diagram - Analog Devices Inc. LTC4283 Negative Voltage Hot Swap Controllers
Publicado: 2019-07-18 | Actualizado: 2024-03-04