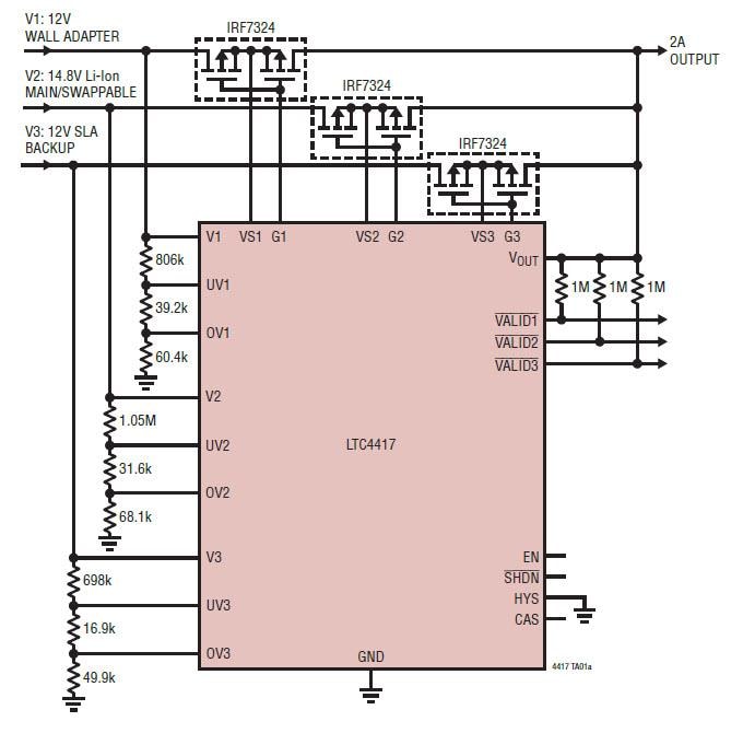
Analog Devices Inc. LTC4417 Prioritized PowerPath™ Controllers
Analog Devices Inc. LTC4417 Prioritized PowerPath™ Controllers connect one of three valid power supplies to a common output based on priority. Priority is defined by pin assignment, with V1 assigned the highest priority and V3 the lowest priority. A power supply is defined as valid when its voltage has been within its overvoltage (OV) and undervoltage (UV) window continuously for at least 256ms.Features
- Selects highest priority supply from three inputs
- Blocks reverse and cross conduction currents
- 2.5V to 36V operating voltage range
- -42V protection against reverse battery connection
- Fast switchover minimizes output voltage droop
- Low 28μA operating current
- <1μA current draw from supplies less than VOUT
- 1.5% input overvoltage/undervoltage protection
- Adjustable overvoltage/undervoltage hysteresis
- P-Channel MOSFET gate protection clamp
- Cascadable for additional input supplies
- 24-lead narrow SSOP and 4mm × 4mm QFN packages
Applications
- Industrial handheld instruments
- High availability systems
- Battery backup systems
- Servers and computer peripherals
Block Diagram
Publicado: 2017-04-25
| Actualizado: 2025-10-01
