Analog Devices Inc. LTC7897 Synchronous Buck Controllers

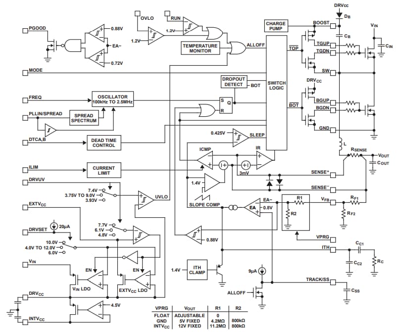
Analog Devices LTC7897 Synchronous Buck Controllers are high-performance, 100% duty cycle capable, synchronous step-down DC/DC switching regulator controllers that drive all N-channel synchronous MOSFET power stages. Synchronous rectification improves efficiency, reduces power loss, and facilitates the application design by reducing thermal requirements.

The ADI LTC7897 wide input and output voltage ranges allow high step-down ratios and a wide range of positive to negative voltage conversion. The gate drivers of the LTC7897 offer robustness with a 15V ABS Max rating and flexibility with adjustable drive levels and dead times to optimize applications. The gate drive voltage of the LTC7897 can optionally be adjusted from 5V to 10V to enable the use of logic-level or standard threshold MOSFETs. The dead times of the LTC7897 can be optimized with external resistors for margin or to customize the application for higher efficiency and support a high-frequency operation.

Features

  • Wide VIN range of 4V to 135V (140V ABS Max)
  • Wide output voltage range of 0.8V ≤ VOUT ≤ 135V (140V ABS Max)
  • Adjustable gate drive level of 5V to 10V (OPTI-DRIVE, 15V ABS Max)
  • Adjustable driver voltage UVLO
  • Split-output gate drivers for adjustable turn-on and turn-off driver strengths
  • Adaptive or resistor-adjustable dead times
  • 100% duty cycle operation
  • Low operating IQ of 5μA (48VIN to 3.3VOUT)
  • Spread spectrum frequency modulation
  • Programmable frequency (100kHz to 2.5MHz)
  • Synchronizable frequency (100kHz to 2.5MHz)
  • 28-pin (4mm x 5mm) QFN package

Applications

  • Industrial power systems
  • Military/avionics
  • Telecommunications power systems

Typical Application

Application Circuit Diagram - Analog Devices Inc. LTC7897 Synchronous Buck Controllers

VOUT Efficiency

Performance Graph - Analog Devices Inc. LTC7897 Synchronous Buck Controllers

Block Diagram

Block Diagram - Analog Devices Inc. LTC7897 Synchronous Buck Controllers
Publicado: 2025-05-06 | Actualizado: 2025-05-11