Analog Devices Inc. MAX22196EVKIT Evaluation Kit
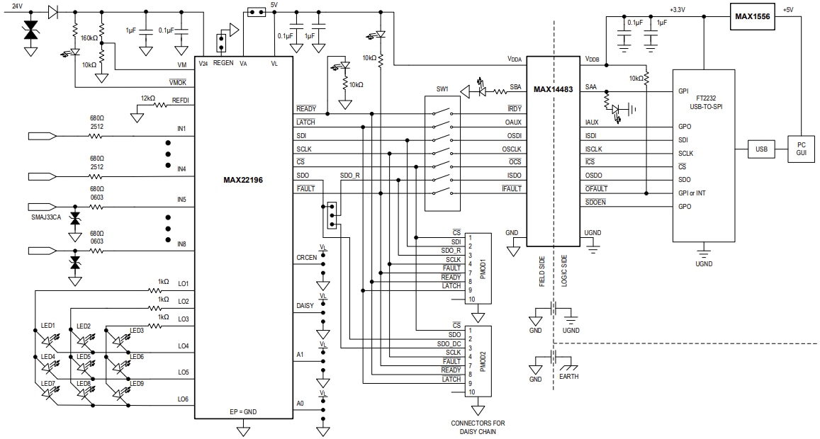
Analog Devices Inc. MAX22196EVKIT Evaluation Kit (EV kit) provides hardware and software to evaluate the MAX22196 octal industrial sink/source digital inputs. This kit receives commands from a PC through the USB port and creates SPI transactions for communications between the software and the MAX22196 on the kit. The MAX22196EVKIT EV kit includes a Pmod™ compatible connector for SPI communication with an external host device, including Microcontroller (MCU) unit or Field-Programmable Gate Array (FPGA). This EV kit is equipped with GUI that communicates between the PC and the target device.The MAX22196 EV kit operates in USB mode, Pmod mode, and multi-device mode. This EV kit supports transient immunity testing for ESD, EFT, and surge according to IEC 61000-4-2, IEC 61000-4-4, and IEC 61000-4-5 standards. The MAX22196 EV kit provides a design for an eight-channel, galvanically isolated, configurable Type 1/3 or Type 2 or source digital input solution using the MAX22196. This EV kit includes MAX22196EVKIT# includes, the MAX22196AJT+, a micro-USB cable, and a 24V power adapter.
Features
- Evaluates MAX22196 digital inputs
- EV kit logic side is USB-powered
- Robust design at field inputs:
- ±1kV surge tolerant line-to-ground and line-to-line
- ±8kV contact Electrostatic Discharge (ESD)
- ±15kV air-gap ESD
- Software configurable for IEC 61131-2 Type 1/3, Type 2, TTL, or HTL inputs
- Windows® 10 compatible software
- Fully assembled and tested
- Proven PCB layout
- Supports transient immunity testing according to IEC 61000-4-2, IEC 61000-4-4, and IEC 61000-4-5 standards
- RoHS compliant
Kit Contents
- MAX22196EVKIT# including the MAX22196AJT+
- Micro-USB cable
- 24V power adapter
EV Kit System Block Diagram
Publicado: 2023-04-27
| Actualizado: 2023-05-03
