Analog Devices / Maxim Integrated MAX14691EVKIT Evaluation Kit
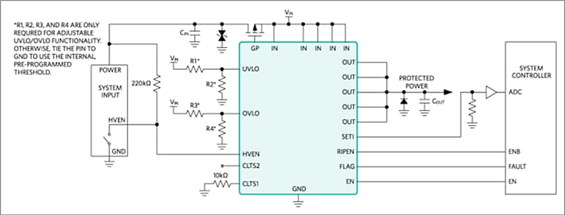
Analog Devices Inc. MAX14691EVKIT Evaluation Kit is a fully assembled and tested circuit board demonstrating the MAX14691 overvoltage, undervoltage, and overcurrent-protection device. The evaluation kit features an external p-channel MOSFET and LED input and output reading. The evaluation kit comes with the MAX14691ATP+ installed but can also be used to evaluate the pin-compatible MAX14692 and MAX14693 devices with IC replacement of U1.Features
- 5.5V to 58V operating voltage range
- External p-Channel MOSFET installed
- Proven PCB layout
- Fully assembled and tested
Applications
- Control and automation
- High-Power applications
- Human-machine interfaces
- Industrial power systems
- Motion system drives
Typical Application
Publicado: 2019-10-17
| Actualizado: 2023-04-26
