Analog Devices Inc. MAX20030/1 Automotive Step-Down Controllers
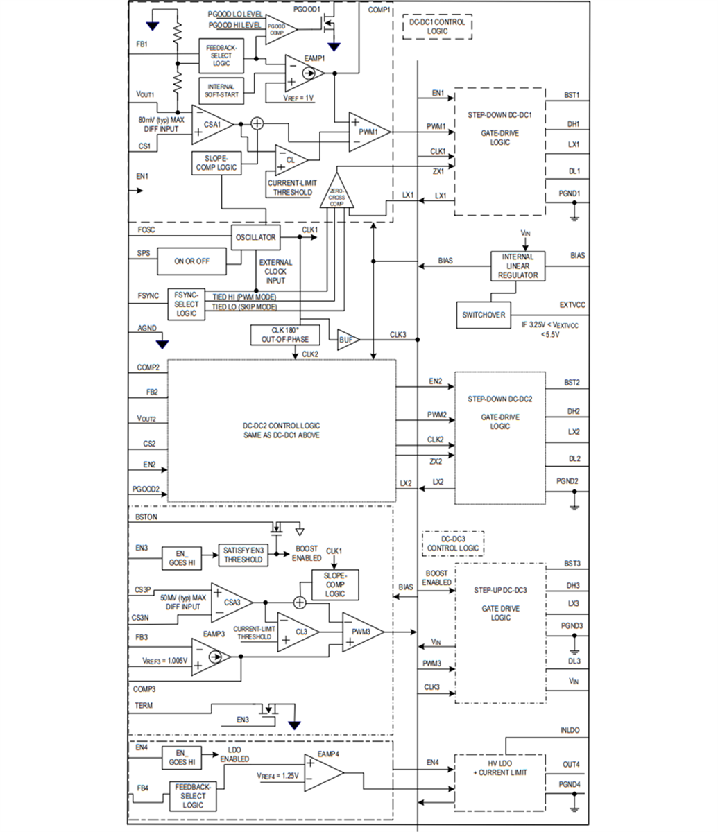
Analog Devices Inc. MAX20030 and MAX20031 Automotive Step-Down Controllers are 2.2MHz dual-synchronous step-down controllers with an integrated preboost controller and low-IQ LDO. The preboost controller enables VOUT1 and VOUT2 to stay in regulation during cold-crank operation all the way down to a battery input of 2V. The MAX20030 and MAX20031 offer two high-voltage synchronous step-down controllers that operate 180° out of phase. These devices operate with an input-voltage supply from 3.5V to 42.0V and can operate in dropout conditions by running at a 97% duty cycle. These Step-Down Controllers are ideal for applications with mid- to high-power requirements that operate at a wide input voltage range, such as during automotive cold-crank or engine stop-start conditions.The MAX20030 and MAX20031 Step-Down Controllers operate at a frequency of up to 2.2MHz, enabling the use of small external components, reducing output ripple, and eliminating AM band interference. The switching frequency is resistor-adjustable from 220kHz to 2200kHz. SYNC input programmability enables three frequency modes for optimized performance: forced fixed-frequency operation, skip mode with ultra-low quiescent current, and synchronization to an external clock. These devices have a spread-spectrum pin for frequency modulation to minimize EMI interference.
The MAX20030 and MAX20031 feature a power-OK monitor and overvoltage and undervoltage lockout. Protection features include a cycle-by-cycle current limit and thermal shutdown. These step-down controllers are offered in a thermally enhanced TQFN48 package with an exposed pad.
Features
- Meets stringent OEM module power consumption and performance specifications
- 17µA IQ with 3.3V Buck on
- 25µA IQ with 5V Buck on
- 25µA IQ with LDO on
- 65µA IQ with all controllers enabled
- Enables crank-ready designs with a synchronous boost converter for high-current capability and efficiency
- EMI reduction features reduce interference with sensitive radio bands without sacrificing the wide input voltage range
- 50ns (typical) minimum on-time guarantees skip-free operation for 3.3V output from car battery at 2MHz
- Forced fixed-frequency PWM operation
- Resistor-programmable frequency between 220kHz and 2MHz
- Pin-selectable spread spectrum
- Integration and thermally enhanced packages save board space and cost
- Dual 2.2MHz step-down controller with synchronous boost controller and HV 200mA LDO
- Current-mode controller with forced-fixed frequency and skip modes
- Thermally enhanced 7mm x 7mm, 48-pin TQFN package with exposed pad
- Protection features improve system reliability
- Supply overvoltage and undervoltage lockout
- Overtemperature and short-circuit protections
Applications
- Instrument cluster
- Distributed DC power systems
- Navigation and radio head units
Block Diagram
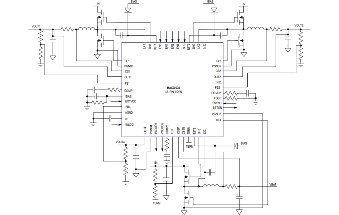
Typical Application Circuit
