Apogee Semiconductor AF54RHC301 Rad-Hard Dual 3-Input Majority Voter

Apogee Semiconductor AF54RHC301 Rad-Hard Dual 3-Input Majority Voter offers two instances of a triple-input voter gate with individual error outputs. This majority voter includes a dedicated error-detected indicator and an external error input signal. The AF54RHC301 majority voter features a built-in triple-redundant design, which allows the device to be immune to Single-Event Transients (SET). This majority voter supports zero-power penalty cold-sparing and class 2 ESD protection (4000V HBM and 500V CDM). The AF54RHC301 majority voter operates within the -55°C to 150°C junction temperature range and delivers maximum VCC output voltage. This majority voter is of evaluation grade and is used in medical imaging, nuclear imaging, and space applications.

Features

  • Includes error detected indicator
  • Offers two instances of triple-input voter gate
  • 1.65VDC to 5.5VDC supply voltage range
  • Inputs tolerant up to 5.5VDC at any VCC
  • 30krad (Si) Total Ionizing Dose (TID) resilience
  • Single Event Latchup (SEL) resilient up to LET of 80MeV-cm2/mg
  • Fabricated in a 180nm CMOS process using proprietary radiation hardening techniques
  • -55°C to 150°C operating junction temperature range
  • VCC maximum output voltage
  • Proprietary cold-sparing capability with zero static power penalty
  • Built-in triple redundancy for enhanced reliability
  • Class 2 ESD protection (4000V HBM and 500V CDM)

Applications

  • Medical imaging
  • Deep space exploration
  • Nuclear imaging
  • Triple mode redundancy

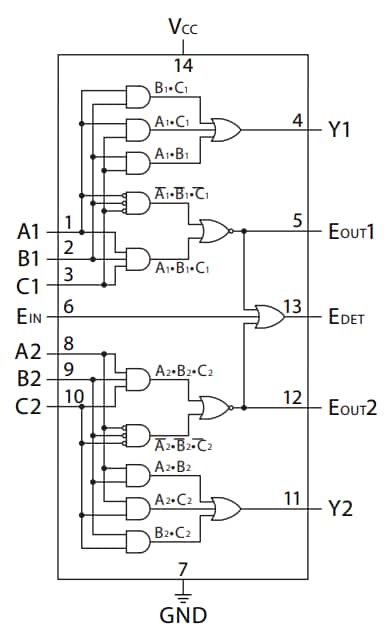
Logic Diagram

Apogee Semiconductor AF54RHC301 Rad-Hard Dual 3-Input Majority Voter

Overview

Apogee Semiconductor AF54RHC301 Rad-Hard Dual 3-Input Majority Voter
Publicado: 2024-08-28 | Actualizado: 2024-09-05