Cincon CHB500W 500W 4:1 Input Isolated DC/DC Converters
Cincon CHB500W 500W 4:1 Input Isolated DC/DC Converters feature an industry-standard half-brick package with 500W output power and a 4:1 input voltage range. The converters operate with a 9VDC to 40VDC input voltage, a 3000VDC basic isolation rating, and a high 91.5% efficiency. The CHB500W series is fully protected against input under voltage lockout (UVLO), output overcurrent (OCP), output overvoltage (OVP), overtemperature (OTP), and continuous short circuit (SCP) conditions. The converters offer a fixed 180KHz to 220KHz switching frequency, a low no-load power consumption, and a remote on/off standard control function. The Cincon CHB500W 500W 4:1 Input Isolated DC/DC Converters are ideal for various 12V and 24V applications, including distributed power architectures, telecommunications, battery-operated equipment, and other industrial equipment.Features
- High efficiency
- Fixed switching frequency
- Regulated outputs
- 4:1 input capability
- Remote on/off capability
- Low no-load power consumption
- High I/O isolation rating
- Half-brick package size
- Full protection
- OTP
- OCP
- OVP
- UVLO
- UL/IEC/EN 62368-1 2nd safety standards
- MIL-STD-810F shock and vibration compliant
- EN 45545-2 fire and smoke compliant
Applications
- Distributed power architectures
- Telecommunications
- Battery-operated equipment
- Industrial
Specifications
- 9VDC to 40VDC input voltage range
- 12VDC to 54VDC output voltage range
- 0mA to 42A output current range
- 80mA to 100mA no-load input current range
- 22.4A full-load input current rating
- 91.5% max efficiency
- 4000μF to 42,000μF max capacitor load range
- 180KHz to 220KHz switching frequency range
- -40°C to +105°C operating temperature range
- -55°C to +125°C storage temperature range
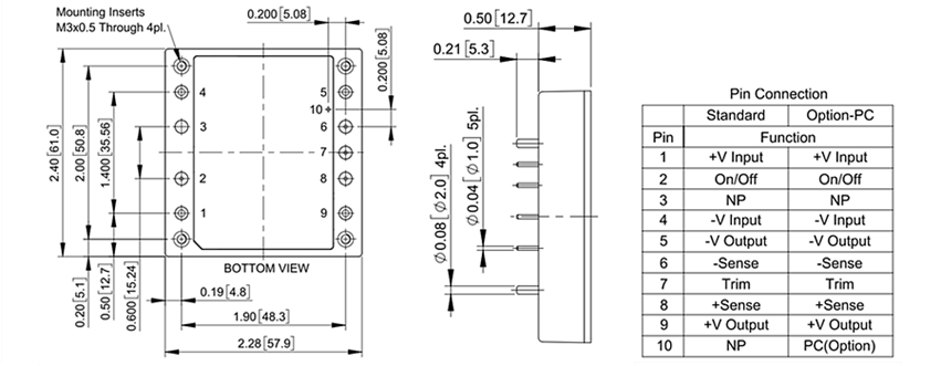
Mechanical Drawing [mm]
Additional Resources
Publicado: 2024-07-09
| Actualizado: 2024-07-25
