Diodes Incorporated AL58263 Grayscale PWM Dimming LED Driver

Diodes Incorporated AL58263 Grayscale PWM Dimming LED Driver offers a 16-channel, constant-current, grayscale Adaptive Pulse Density Modulation (APDM). The APDM technology abates the non-ideal IOUT distortion due to non-symmetric transient responses and enhances the refresh rate by efficiently separating the frame waveform. The AL58263 supports error diagnostics, current gain control, and power-saving functionality.

The Diodes Inc AL58263 operates over a 3V to 5.5V input voltage range, 15V output channel voltage, and fast 25MHz DCK input. The device supplies up to 55mA of high-accuracy current to each LED string. Each channel’s current output can be programmable individually through a digital interface. One external sensing resistor and a 6-bit global current control register can set all channels' output current.

The AL58263 has built-in diagnostics and LED open/short protection, including error detection. These error results are stored in a register for the MCU to read out.

The AL58263 is engineered in a TSSOP-24EP (Type A1-B) package and is specified for use in the -40°C to +85°C ambient temperature range.

Features

  • Input voltage VDD of 3V to 5.5V
  • Output current range
    • 2mA to 55mA/5V, 2mA to 35mA/3.3V
    • ±0.1% output current regulation capability
    • 6-bit global current control from 12.5% to 200%
  • 16 constant-current sink output channel
    • 16-bit grayscale resolution with adaptive pulse
    • Density modulation control
    • 15V-rated output channels for long LED strings
    • Fast transient response - supports external grayscale clock with a double edge up to 16MHz
    • ±1.5% (typ.) LED Current accuracy between channels
    • ±3% (typ.) LED Current accuracy between chips
    • Non-scramble waveform for high-power LED application
    • Grayscale counter reset selection
    • Grayscale data synchronization selection
  • Totally lead-free and fully RoHS compliant
  • Halogen and antimony-free “Green” device
  • Diagnosis and protections
    • Error detection includes LED open, LED short, output port leakage, output short-to-GND, output short-to-power, and REXT short-to-GND
    • Error detection LEDs on at 0.1mA to avoid any flickering
    • Short detection threshold voltage selection (2V/3V/4V/4.5V)
    • Sleep and 0-data mode to lower the supply current
    • Pre-overtemperature warning
  • 4-Wire serial interface (LAT, DI, DO, DCK)
    • 25MHz clock frequency for data transfer
    • EMI reduction grayscale clock
    • Cascaded capability (Max 1,440 devices)
    • External GCK watchdog
    • Stagger outputs delay for EMI reduction

Applications

  • Indoor and outdoor LED video displays
  • Variable message signs (VMS)
  • Traffic signs
  • Outdoor billboard signage
  • LCD backlighting

Specifications

  • Not AEC qualified
  • Standard compliance (only automotive supports PPAP)
  • Linear LED driver topology
  • 3V minimum supply voltage
  • 5.5V maximum supply voltage
  • 15V maximum VOUT
  • 16 number of channels
  • 55mA output current
  • 55mA channel max. output current
  • 1.5% accuracy
  • PWM dimming by internal register 16-bit
  • -40°C to 85°C temperature range

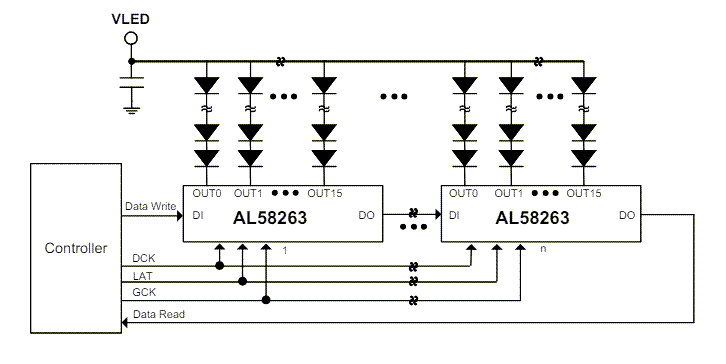
Application Schematic

Application Circuit Diagram - Diodes Incorporated AL58263 Grayscale PWM Dimming LED Driver
Publicado: 2024-04-30 | Actualizado: 2024-05-14