Diodes Incorporated PI3WVR13x12Z Mux/Demux Switches

Diodes Incorporated PI3WVR13x12Z Multiplexer / Demultiplexer Switches are multi-standard video switches with wide voltage range capability. The PI3WVR13x12Z switches support emerging and proprietary standards, 1.3 / 1.4 DisplayPort and 2.0 HDMI. These switches can pass high-speed signals up to 1.2V peak-to-peak differential with a common-mode voltage range from 0V to 3.4V. 

The wide voltage range of these switches allows DC-coupled multi-standard operation. Diodes Incorporated PI3WVR13x12Z switches eliminate AC coupling capacitors that saves board space and improves signal integrity for dense PCB designs. These switches feature four high-speed lanes, 8.1Gbps data rate for high-speed channels, and -3dB bandwidth. The PI3WVR13412Z switch is available in 42-pin TQFN (ZHE) package, and the PI3WVR13612Z switch is available in 52-pin TQFN (ZL) package. These switches are ideal for monitors, docking, graphics cards, desktop PC, and video displays.

Features

  • 1.3/1.4 DisplayPort and 2.0 HDMI electrical standard compatible
  • 4 high-speed lanes
  • 1:2 and 2:1 switches that support RBR, HBR1, HBR2, and HBR3
  • 8.1Gbps data rate for high-speed channels
  • Supports DDC with HPD channel mux/demux @ HDMI
  • Supports 720Mbps high-speed DP AUX @ DP
  • -1.6dB insertion loss for high-speed channels @ 4.05GHz
  • -3dB bandwidth
  • -11dB return loss for high-speed channels @ 4.05GHz
  • -35dB @ 4.05GHz low crosstalk for high-speed channels
  • -20dB @ 4.05GHz low off isolation for high-speed channels
  • 3.3V ±10% VDD operating range
  • 1.5kV HBM ESD tolerance
  • Packaging (Pb-free & Green):
    • PI3WVR13412Z 42-pin TQFN (ZHE)
    • PI3WVR13612Z 52-pin TQFN (ZL)

Applications

  • Monitors
  • Docking
  • Graphics cards
  • All-in-one PCs
  • Desktop PC
  • Video displays

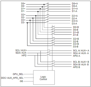
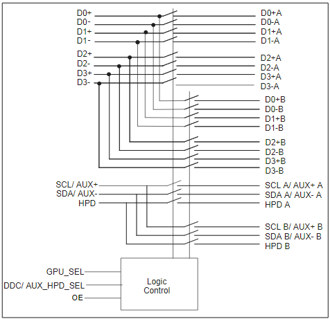
Block Diagrams

Publicado: 2018-04-26 | Actualizado: 2022-09-22