E-Switch SAV4 Anti-Vandal Switches

E-Switch SAV4 Anti-Vandal Switches utilize the LS series snap action switch with a 15A high current rating and come pre-mounted on a snap action switch. These switches feature a 3V to 220V customizable illumination voltage, 10,000 cycles of electrical life, 3.5N actuation force, and 100MΩ insulation resistance @500VDC. The SAV4 switches also feature a 19mm diameter panel cutout, 1500VAC dielectric strength for 60 seconds, and multiple illumination voltage options. These switches are IP67 ingress protection rated and RoHS compliant. The SAV4 switches are used in security devices, medical equipment, industrial controls, vending machines, and outdoor kiosks.

Features

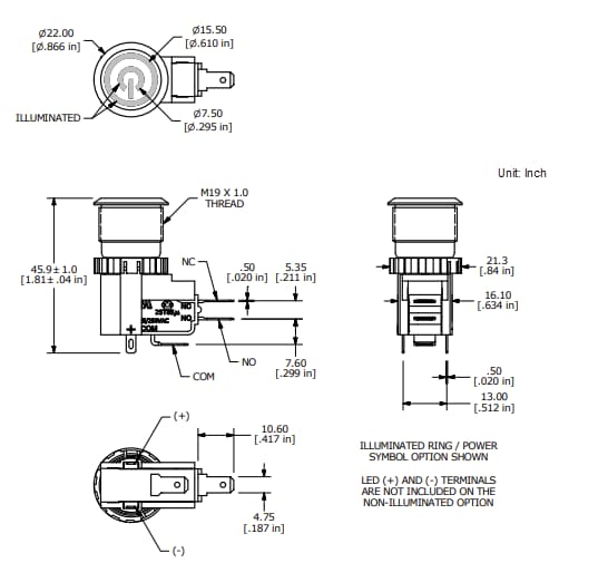
  • 19mm diameter panel cutout
  • Multiple LED color options
  • 3V to 220V customizable illumination voltage
  • IP67 ingress protection rated
  • Momentary and latching functions
  • Dot, ring, power, or ring/power illumination options

Applications

  • Vending machines
  • Security devices
  • Medical equipment
  • Outdoor kiosks
  • Industrial controls
Chart - E-Switch SAV4 Anti-Vandal Switches

Specifications

  • 15A, 125VAC/250VAC electrical rating
  • 1500VAC dielectric strength for 60 seconds
  • 10,000 cycles of electrical life
  • 100mΩ maximum contact resistance
  • 100MΩ insulation resistance @500VDC
  • 3.5N actuation force
  • 1mm to 10mm panel thickness

Mechanical Diagram

Mechanical Drawing - E-Switch SAV4 Anti-Vandal Switches

Videos

View Results ( 12 ) Page
N.º de artículo Hoja de datos Color de iluminación Color de la Tapa Material del actuador Material del alojamiento
SAV4F13SS331 SAV4F13SS331 Hoja de datos Green Silver Stainless Steel Stainless Steel
SAV4F1BSS344 SAV4F1BSS344 Hoja de datos Blue Silver Stainless Steel Stainless Steel
SAV4F1BSS314 SAV4F1BSS314 Hoja de datos Red Silver Stainless Steel Stainless Steel
SAV4F1BSS531 SAV4F1BSS531 Hoja de datos Green Silver Stainless Steel Stainless Steel
SAV4F1311217 SAV4F1311217 Hoja de datos Red Black Black Anodized Black Anodized
SAV4F13112G7 SAV4F13112G7 Hoja de datos Red, Green Black Black Anodized Black Anodized
SAV4F13SS316 SAV4F13SS316 Hoja de datos Red Silver Stainless Steel Stainless Steel
SAV4F13SS344 SAV4F13SS344 Hoja de datos Blue Silver Stainless Steel Stainless Steel
SAV4F13SS345 SAV4F13SS345 Hoja de datos Blue Silver Stainless Steel Stainless Steel
SAV4F13SS555 SAV4F13SS555 Hoja de datos Yellow Silver Stainless Steel Stainless Steel
Publicado: 2023-10-05 | Actualizado: 2023-10-27