M5Stack Dial v1.1 Development Board
M5Stack Dial v1.1 Development Board is a high-performance, multifunctional embedded development board that represents a comprehensive upgrade of the original Dial product. The new version adopts the all-new StampS3A main controller that enhances system processing power and stability. This board is equipped with a 1.28-inch round TFT touch screen and a high-precision rotary encoder. The Dial v1.1 board also includes an RFID detection module, an RTC circuit, an onboard buzzer, and under-screen buttons to enable device interaction and wake-up alerts. This development board supports secondary development on multiple programming platforms like Arduino, UIFlow2, and ESP-IDF. The Dial v1.1 board is ideal for smart home control, IoT, smart wearables, access control systems, industrial control, and educational maker projects.Features
- Round TFT touch screen
- StampS3A as the main controller
- Rotary encoder
- RFID detection module
- 6V to 36V wide voltage input range
- 0°C to 40°C operating temperature range
- Reserved PORT.A and PORT.B interface expansion
- Development platform:
- UiFlow2
- Arduino IDE
- ESP-IDF
- PlatformIO
Applications
- Smart home control
- IoT projects
- Access control systems
- Industrial control
Specifications
- 6V to 36V DC wide input voltage range
- 1.28-inch 240px x 240px screen driver
- Operating current:
- USB powered DC 5V @88.19mA
- Battery only DC 4V @100mA
- 8MB flash
- 80dB buzzer
- 51mm x 51mm x 32.3mm product size
Kit Contents
- 1 x Dial V1.1
- 1 x L-shaped 1.5mm hex wrench (compatible with M2 screws)
- 1 x 2.54-2P terminal
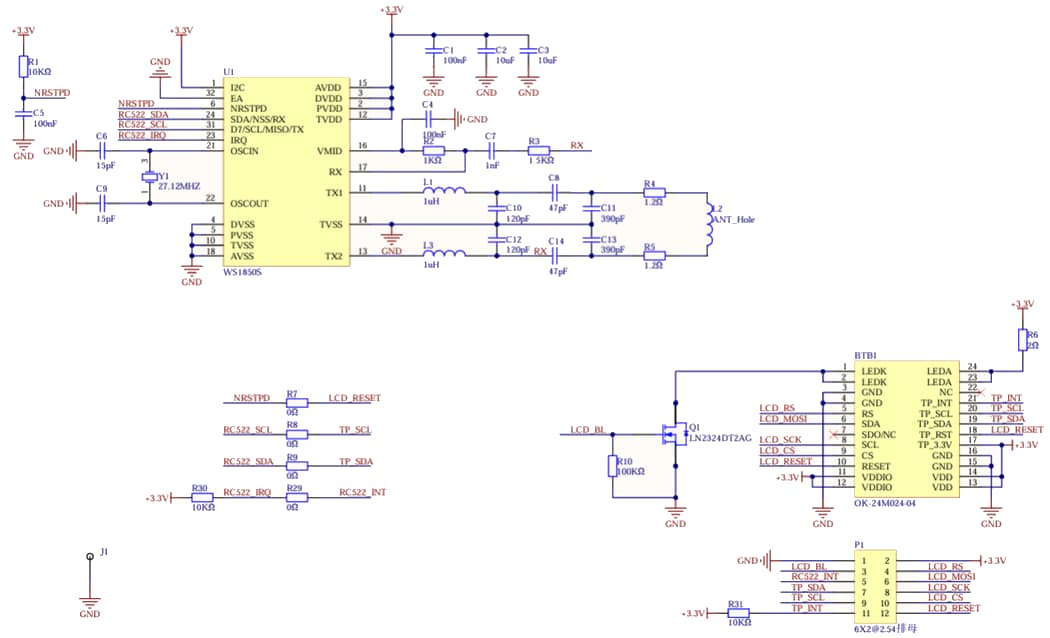
Schematic
Dimension
Publicado: 2025-04-30
| Actualizado: 2025-06-26
