ROHM Semiconductor RB-D62Q2532TB48 Reference Board

ROHM Semiconductor RB-D62Q2532TB48 Reference Board is a powerful development platform built around the LAPIS ML62Q2532 CMOS 16-bit RISC microcontroller. This board is designed to support efficient prototyping and testing for a range of applications, including automotive systems such as main inverters, onboard chargers, and battery management systems. The board's low-power operation and robust processing capabilities also make it ideal for industrial equipment in factory automation and control and intelligent consumer electronics. With seamless compatibility with ROHM’s development tools, the RB-D62Q2532TB48 enables engineers to develop innovative, energy-efficient, and reliable solutions tailored to modern embedded system demands.

Features

  • Provided with the LAPIS ML62Q2532 CMOS 16-bit RISC MCU, 48-pin TQFP
  • Mounted with the linked connector to EASE1000 V2
  • Through-holes for connecting the pins of LSI to external peripheral boards
  • Selectable power supply, supplied from the on-chip emulator EASE1000 V2 or CN1_3pin
  • Mounted 32.768KHz crystal
  • Mounted LEDs (P20, P21, P22)
  • Foot pattern with components for Successive Approximation Type A/D Converter is available (P30, P31, P32, P33)
  • Low power consumption
  • Internal flash memory and RAM
  • Flexible I/O and communication interfaces
  • Real-time processing
  • 1.8V to 5.5V operating supply range
  • Compact form factor, 56mm x 94mm x 15mm (WxDxH) size

Applications

  • Automotive systems
  • Industrial equipment
  • Consumer electronics

Overview

Location Circuit - ROHM Semiconductor RB-D62Q2532TB48 Reference Board

Power Circuit

Location Circuit - ROHM Semiconductor RB-D62Q2532TB48 Reference Board

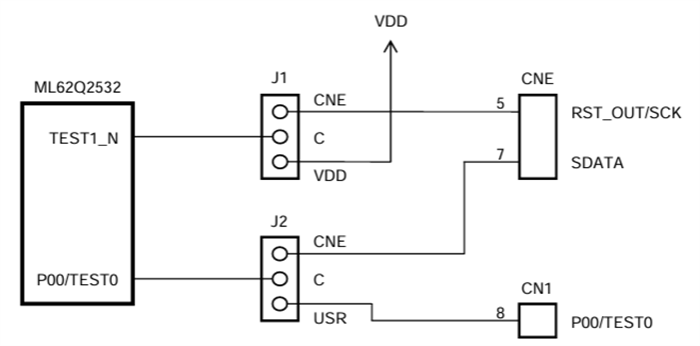
EASE1000 V2 Interface

Location Circuit - ROHM Semiconductor RB-D62Q2532TB48 Reference Board

PCB Layout

Mechanical Drawing - ROHM Semiconductor RB-D62Q2532TB48 Reference Board
Publicado: 2024-12-30 | Actualizado: 2025-01-07