Infineon Technologies WLC1115 Wireless Charging Transmitter

Infineon Technologies WLC1115 Wireless Charging Transmitter is a highly integrated, Qi-compliant wireless power transmitter with integrated USB Type-C™ Power Delivery (PD). The WLC1115 complies with the Qi v1.3.2 standard for 15W applications and is compliant with the USB-PD 3.0 specifications. The WLC1115 includes integrated gate drivers for the buck and inverter power supplies that are necessary for wireless transmitter applications. The device supports a wide input voltage range and offers many programmable features for creating distinct wireless transmitter solutions.

The WLC1115 is a highly programmable wireless power transmitter and integrated USB-PD sink solution with an on-chip 32-bit Arm® Cortex®-M0 processor, 128KB flash, 16KB RAM, and 32KB ROM that allows most Flash available for user application use. The device also includes various analog and digital peripherals, such as an Analog-to-Digital Converter (ADC), PWMs, and timers. The inclusion of a fully programmable MCU with analog and digital peripherals enables scalable multi-coil wireless charging solutions for free positioning transmitter designs.

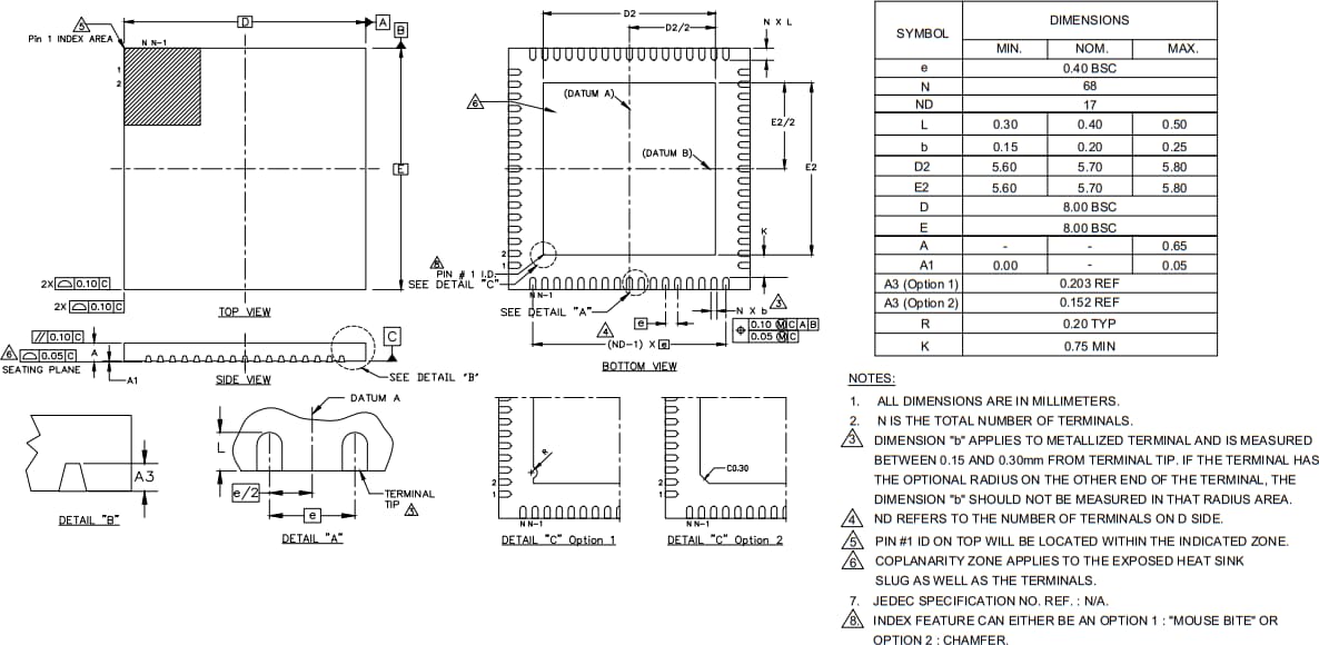
The Infineon Technologies WLC1115 Wireless Charging Transmitter is housed in an 8.0mm x 8.0mm QFN-68 package with an exposed pad for enhanced thermal performance.

Features

  • Qi 3.x compliant transmitter (MP-A11 coil)
  • Integrated USB-PD controller
    • Supports USB-PD 3.0 version
    • Programmable power supply (PPS) mode
    • Support for USB-PD legacy charging protocols like QC 2.0, 3.0, and AFC
  • Integrated buck converter controller for VBRIDGE (VBRG)
  • Integrated gate drivers for buck converter and inverter
  • Integrated Q factor detection
  • Integrated FSK modulator
  • Wide 5V to 24V input voltage range
  • I2C and UART communication ports
  • Overcurrent protection (OCP)
  • Overvoltage protection (OVP)
  • Supports over-temperature protection through an integrated ADC circuit and internal temperature sensor
  • -40°C to +105°C extended industrial temperature range
  • 8.0mm x 8.0mm x 0.65mm QFN-68 package

Applications

  • Wireless charging pads for extended power profile (EPP) (15W) and basic power profile (BPP) (5W)
  • Smart speakers
  • Portable accessories
  • Furniture and home goods
  • Docking stations
  • High-speed charging support

Logic Block Diagram

Block Diagram - Infineon Technologies WLC1115 Wireless Charging Transmitter

Typical Application Circuit

Application Circuit Diagram - Infineon Technologies WLC1115 Wireless Charging Transmitter

Package Outline

Mechanical Drawing - Infineon Technologies WLC1115 Wireless Charging Transmitter
Publicado: 2022-06-27 | Actualizado: 2022-11-04