Infineon Technologies 650V CoolSiC™ M1 Trench Power MOSFETs

Infineon Technologies 650V CoolSiC™ M1 Trench Power MOSFETs combine the strong physical characteristics of Silicon Carbide with unique features that increase the device's performance, robustness, and ease of use. The CoolSiC M1 MOSFETs are built on a state-of-the-art trench semiconductor process optimized to deliver the lowest application losses and the highest reliability in operation. Suitable for high temperatures and harsh operations, these devices enable the simplified and cost-effective deployment of the highest system efficiency. 

The CoolSiC M1 MOSFETs are offered in a compact TO-247 3-pin/4-pin package and are Pb-free, halogen-free, and RoHS-compliant.

Features

  • Low capacitances
  • Optimized switching behavior at higher currents
  • Commutation robust, fast body diode with low reverse recovery charge (Qrr)
  • Superior gate oxide reliability
  • Excellent thermal behavior
  • Increased avalanche capability
  • Works with standard drivers
  • High performance, high reliability, and ease of use
  • Allows high system efficiency
  • Reduces system cost and complexity
  • Enables smaller system size
  • Works in topologies with continuous hard commutation
  • Fit for high temperature and harsh operations
  • Enables bi-directional topologies

Applications

  • Servers
  • Telecom
  • SMPS
  • Energy storage and battery formation
  • Solar energy systems / solar PV inverters
  • UPS
  • EV charging infrastructure
  • Motor drives
  • Class D amplifiers

Videos

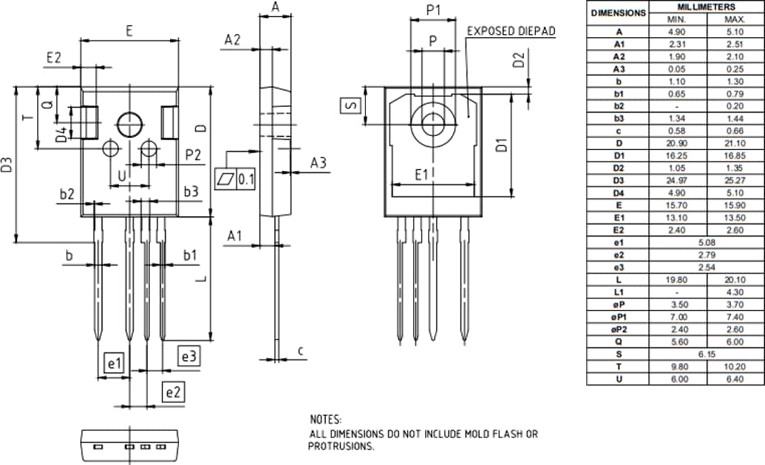
Package Outline (TO-247 3-pin)

Mechanical Drawing - Infineon Technologies 650V CoolSiC™ M1 Trench Power MOSFETs

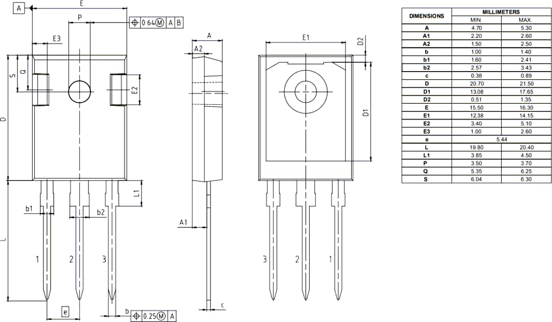
Package Outline (TO-247 4-pin)

Mechanical Drawing - Infineon Technologies 650V CoolSiC™ M1 Trench Power MOSFETs
View Results ( 26 ) Page
N.º de artículo Hoja de datos Paquete / Cubierta Id - Corriente de drenaje continua Rds On - Resistencia entre drenaje y fuente Qg - Carga de puerta Dp - Disipación de potencia
IMBG65R057M1HXTMA1 IMBG65R057M1HXTMA1 Hoja de datos 39 A 74 mOhms 28 nC 161 W
IMZA65R039M1HXKSA1 IMZA65R039M1HXKSA1 Hoja de datos TO-247-4 50 A 50 mOhms 41 nC 176 W
IMBG65R163M1HXTMA1 IMBG65R163M1HXTMA1 Hoja de datos 17 A 217 mOhms 27 nC 85 W
IMBG65R107M1HXTMA1 IMBG65R107M1HXTMA1 Hoja de datos 24 A 141 mOhms 35 nC 110 W
IMZA65R107M1HXKSA1 IMZA65R107M1HXKSA1 Hoja de datos TO-247-4 20 A 142 mOhms 15 nC 75 W
IMBG65R048M1HXTMA1 IMBG65R048M1HXTMA1 Hoja de datos 45 A 64 mOhms 33 nC 183 W
IMBG65R039M1HXTMA1 IMBG65R039M1HXTMA1 Hoja de datos 54 A 51 mOhms 41 nC 211 W
IMBG65R072M1HXTMA1 IMBG65R072M1HXTMA1 Hoja de datos 33 A 94 mOhms 22 nC 140 W
IMBG65R260M1HXTMA1 IMBG65R260M1HXTMA1 Hoja de datos 6 A 346 mOhms 22 nC 65 W
IMBG65R022M1HXTMA1 IMBG65R022M1HXTMA1 Hoja de datos 64 A 30 mOhms 67 nC 300 W
Publicado: 2020-01-22 | Actualizado: 2024-09-23