Lelon LSR Aluminum Electrolytic Capacitors
Lelon LSR Series Aluminum Electrolytic Capacitors utilize a snap-in terminal type with high-ripple current. The Lelon LSR Series offers a higher temperature rating, 3000 hours assured at +105°C, and longer life than the standard Lelon LS series. Lelon LSR Series Aluminum Electrolytic Capacitors feature a higher ripple current than the Lelon LSM series.Features
- Snap-in terminal type
- High ripple current
- +105°C, 3000 hours assured
- RoHS compliance
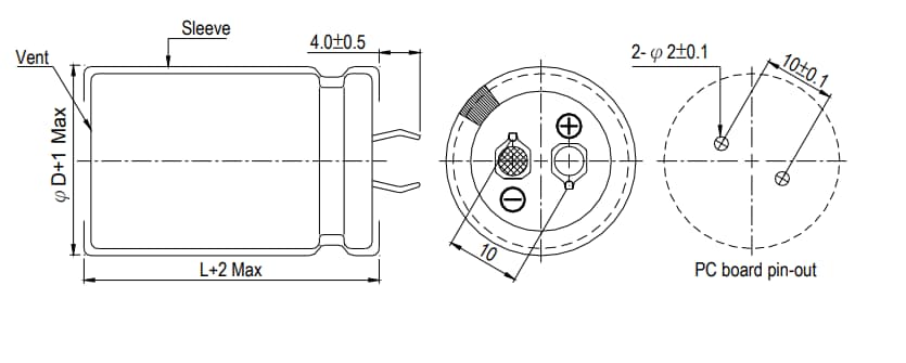
Dimensions (MM)
Publicado: 2014-12-10
| Actualizado: 2022-10-17
