LITEON LTST-E683CEGBW Standard SMD LED

LITEON LTST-E683CEGBW Standard SMD LED is in miniature sizes and configured for automated PC board assemblies and space-sensitive applications. This SMD LED is built-in with an embedded IC. The LTST-E683CEGBW standard SMD LED is RoHS-compliant, halogen, and Pb-free. This SMD LED features a cascading port transmission signal by a single line and an 8-bit IC embedded driver and is compatible with the infrared reflow solder process. The LTST-E683CEGBW standard SMD LED operates at -40°C to 85°C temperature range, 18mA forward current, and 4.2V to 5.5V supply voltage range. This SMD LED is ideally used in status indicators, signal, symbol luminary, front panel backlighting, telecommunication, office automation, home appliances, and industrial equipment.

Features

  • 8-bit driver IC embedded
  • Constant current PWM control
  • EIA STD package
  • Cascading port transmission signal by a single line
  • Compatible with automatic placement equipment
  • Compatible with infrared reflow solder process
  • Preconditioning: Accelerate to JEDEC level 4
  • RoHS compliant and Pb free
  • Halogen-free

Specifications

  • 18mA forward current
  • 99mW Power dissipation
  • 4.2V to 5.5V supply voltage range
  • -40°C to 85°C operating temperature range
  • -40°C to 100°C storage temperature range

Applications

  • Telecommunication
  • Office automation
  • Home appliances
  • Industrial equipment
  • Status indicator
  • Signal and symbol luminary
  • Front panel backlighting
  • Full-color module
  • Full-color soft lights, a lamp strip
  • LED decorative lighting
  • Indoor LED video irregular displays

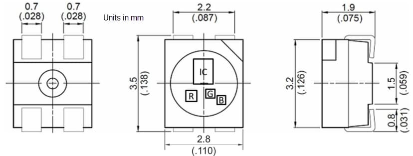
Dimension Diagram

Mechanical Drawing - LITEON LTST-E683CEGBW Standard SMD LED
Publicado: 2023-07-26 | Actualizado: 2025-03-27