Littelfuse CH1B032B Current Sensor

Littelfuse CH1B032B Current Sensor utilizes open-loop Hall effect technology to provide a ratiometric output signal proportionate to the magnetic flux density generated by the C-core. This Littelfuse current sensor offers digital output for ASIL C integration. The CH1B032B is designed for battery management systems (BMS) and features high sensing accuracy, low thermal offset drift, and low thermal sensitivity drift.

Features

  • Designed for BMS
  • Open-loop Hall effect
  • Busbar isolated measurement
  • Unipolar +5VDC power supply
  • -40°C to +85°C operating temperature range
  • CAN 2.0B digital output with diagnostics, AUTOSAR E2E Profile 1A implemented
  • Over-range current detection
  • Very high accuracy obtained through multiple Hall sensor output combinations
  • ±1500A Channel CAN digital signal output

Specifications

  • -6V to 5.5V maximum supply voltage range
  • 150mA maximum supply current
  • 6V maximum voltage to CAN without ASIC damage
  • 1mA maximum current to output pin without ASIC damage
  • 50MΩ insulation resistance
  • 1mA dielectric strength
  • 17mm creepage distance
  • 15.6mm electrical clearance

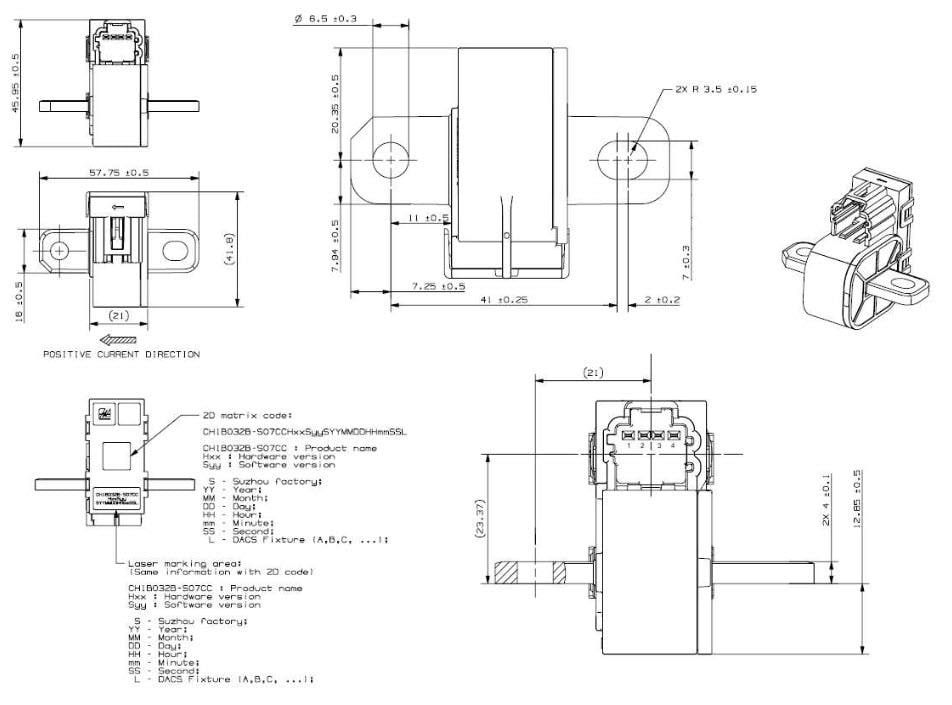
Dimensions (mm)

Mechanical Drawing - Littelfuse CH1B032B Current Sensor
Publicado: 2025-09-26 | Actualizado: 2025-10-24