Littelfuse LF5346x-08TMR Omnipolar Magnetic Sensors

Littelfuse LF5346x-08TMR Omnipolar Magnetic Sensors are advanced Tunneling Magnetoresistance (TMR) angle sensors designed for high-precision magnetic field detection in demanding applications. These LF5346x-08TMR sensors offer omnipolar operation, meaning they can detect both north and south magnetic poles with equal sensitivity, enhancing design flexibility and simplifying system integration. With ultra-low power consumption and high sensitivity, the LF53464-08TMR and LF53466-08TMR models are ideal for battery-powered and compact devices. These Littelfuse sensors feature a wide operating voltage range and robust performance across temperature extremes, making the devices suitable for use in automotive systems, industrial automation, and consumer electronics. A compact form factor and high reliability also support applications such as rotary encoders, contactless switches, and position sensing in harsh environments.

Features

  • TMR technology
  • X-Y axis sensing direction
  • Wide range power supply voltage
  • Differential output
  • Excellent thermal stability
  • 0° to 360° angle measurement
  • RoHS and REACH compliant
  • LF53464-08TMR
    • Wider airgap capability
    • Operates with smaller magnets for cost reduction
  • LF53466-08TMR
    • Two bridges in one package
    • High precision measurement

Applications

  • Rotary and linear position sensing
  • Contactless switches
    • Smart locks
    • Lid sensors
  • Industrial automation
    • Robotic joint angle feedback
    • Conveyor position tracking
    • Proximity detection in machinery
  • Battery-powered devices
    • Portable tools
    • Wearables
    • Smart home gadgets
  • Angle detection systems
    • Robotics
    • Automation
  • Automotive systems
    • Gear position sensing
    • Pedal position detection
    • Steering angle monitoring
  • Consumer electronics
    • Lid closure detection in laptops and tablets
    • Magnetic docking stations
    • Smart appliance controls

Specifications

  • LF53464-08TMR
    • Up to 7V supply range
    • 340mV typical peak voltage
    • ±20mV/V offset voltage
    • 100kΩ to 190kΩ bridge resistance range
    • 200G to 800G omnipolar magnetic dynamic range
    • 3000G maximum magnetic field
    • 0.6° typical angular error
    • 4000V maximum Human Body Model (HBM) ESD performance
    • -40°C to +85°C operating temperature range
    • LGA8L package
  • LF53466-08TMR 
    • 1.0V to 5.5V supply range
    • 300mV typical output peak voltage
    • 600mV typical output peak-to-peak voltage
    • ±5mV/V offset voltage
    • 3kΩ to 7kΩ bridge resistance range
    • 200G to 800G omnipolar magnetic dynamic range
    • 4000G maximum magnetic field
    • 0.8° typical angular error
    • Maximum ESD performance
      • 4000V Human Body Model (HBM)
      • 750V Charged-Device Model (CDM)
    • -40°C to +150°C operating temperature range
    • TSSOP8 package

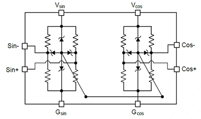
Functional Block Diagram

Block Diagram - Littelfuse LF5346x-08TMR Omnipolar Magnetic Sensors

Videos

Publicado: 2025-05-29 | Actualizado: 2025-10-31