Lumileds LUXEON HL4Z High-Power LEDs

Lumileds LUXEON HL4Z High-Power LEDs are designed for undomed emitters. These LEDs feature superior flux density and flexibility for precision light controls. The LUXEON HL4Z LEDs have a lot of light coming from a small LES device. The flexibility of optical control makes it perfect for fixture designs that need high flux density and precision light controls. These LUXEON LEDs provide maximum lumen outputs and overall system efficacy in a 3535 package with a 3-strip footprint. The LUXEON HL4Z LEDs are suitable for outdoor and industrial applications such as stadium lights, streetlights, and high-bay luminaires.

Features

  • Industry-standard 3535 robust package with a 3-strip footprint designed for outdoor and indoor/industrial use
  • Flexibility of design and ease of use
  • Meets or exceeds requirements for applications that require maximum light output, excellent efficacy, superior color consistency, and reliability
  • High lumens per emitter on small LES enables the system design with the high lumen density
  • Package design enables solutions to minimize energy use and generated heat
  • High drive current enables output to be maximized and LED count minimized
  • Enable faster design-in/time-to-market
  • Large thermal pad allows high drive currents and makes it possible to create close-packed LED clusters
  • Full range of reliability testing with LM-80 in progress
  • Multiple CCT-CRI offerings (CCT:2200K to 6500K / 70-, 80-, and 90CRI)

Applications

  • Outdoor high mast
  • Floodlights
  • Spotlights
  • High bay
  • Low bay
  • Torch

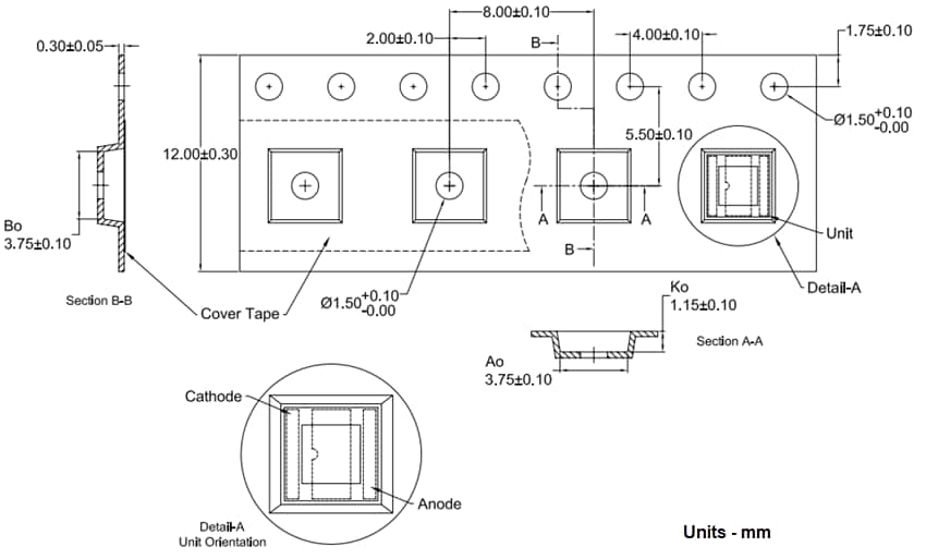
Pocket Tape Dimensions

Mechanical Drawing - Lumileds LUXEON HL4Z High-Power LEDs

Mechanical Dimensions

Mechanical Drawing - Lumileds LUXEON HL4Z High-Power LEDs
Publicado: 2024-07-23 | Actualizado: 2024-08-13