M5Stack K125 Development Board

M5Stack K125 Development Board features AtomS3U, a U-disk from ESP32-S3 multi-function development board using Espressif's main control chip and dual-core Xtensa LX7 processor. This development board offers 240MHz central frequency and a built-in WiFi function. The interfaces include six pins at a 2.54mm header (including 4 GPIOs), one grove part, a USB-A port (OTG), 1 PDM microphone, and one programmable RGB-LED. This K125 development board features a built-in infrared emitter, micropython, and Arduino development platform. The K125 development board operates at 100Hz to 10KHz and 52mm x 20mm x 10mm product size. This K125 development board is ideally used in IoT controllers, voice recording, and cloud STT recognition.

Features

  • ESP32-S3FN8 @240Mhz, Xtensa LX7, WIFI, OTG, and CDC
  • Integrated programmable RGB LEDs and buttons
  • Built-in infrared emitter
  • Expandable pin interface with GROVE
  • MicroPython and Arduino development platform 

Specifications

  • 100Hz to 10KHz sound frequency range
  • 1MHz to 3.25MHz PDM clock frequency range
  • 52mm x 20mm x 10mm product size

Applications

  • IoT controllers
  • Voice recording
  • Cloud STT recognition

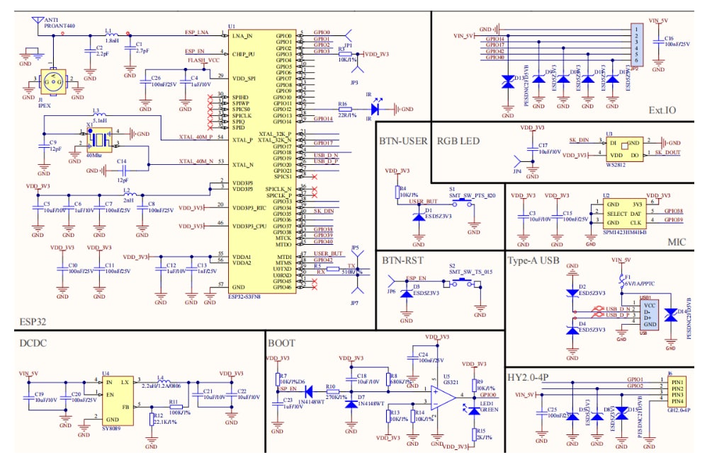
Schematic Diagram

Schematic - M5Stack K125 Development Board

Dimension Diagram

Mechanical Drawing - M5Stack K125 Development Board
Publicado: 2023-08-16 | Actualizado: 2023-10-04