Microchip Technology HV56022 Dual 250V Haptic Drive Amplifier Array

Microchip Technology HV56022 Dual 250V Haptic Drive Amplifier Array is designed to drive haptic (piezo) actuators at 225V. The array works with a 40mA minimum source/sink current. The amplifiers are designed for a -3dB bandwidth of 124Hz for 225V sinusoidal waveforms driving 0.22μF capacitive loads.

Features

  • Dual high voltage operational amplifiers
  • Up to +225V
  • 40mA minimum peak output sink/source current
  • Output voltage comparators for short circuit detection
  • 124Hz, -3dB bandwidth with 0.22μF load

Applications

  • Haptic drivers
  • Power amplifiers

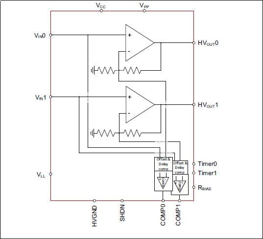
Block Diagram

Microchip Technology HV56022 Dual 250V Haptic Drive Amplifier Array
Publicado: 2022-08-25 | Actualizado: 2022-09-12