Microchip Technology MCP3911 3.3V Two-Channel Analog Front End

Microchip MCP3911 3.3V, two-channel energy-measurement analog front end (AFE) features two 24-bit, delta-sigma analog to digital converters (ADCs) that operate at 3V with industry-leading accuracy of 94.5dB SINAD and 106.5dB THD. These capabilities allow the Microchip MCP3911 to provide better energy-meter and power-monitoring performance by accurately measuring from start-up to maximum current. 

This Microchip AFE also enables faster calibration during production. MCP3911 offers four different power modes, providing the flexibility of extremely low-power designs to 0.8mA per channel or designs for higher-speed signals and harmonic content. MCP3911 also features 2.7V to 3.6V analog and digital operation, simplifying the interface by running off the same power rail as the microcontroller.

Features

  • Two synchronous samplings 16/24-bit resolution Delta-Sigma A/D converters
  • 94.5dB SINAD, -106.5dBc Total Harmonic Distortion (THD) (up to 35th harmonic), 111dB
  • SFDR for Each channel
  • 2.7V to 3.6V AVDD, DVDD
  • Programmable data rate up to 125ksps
    • 4MHz Maximum sampling frequency
  • Oversampling ratio up to 4096
  • Ultra-low power shutdown mode with <2μA
  • -122dB Crosstalk between the two channels
  • 7ppm/°C Low drift 1.2V internal voltage reference
  • Differential voltage reference input pins
  • High gain PGA on each channel (up to 32V/V)
  • Phase delay compensation with 1μs time resolution
  • Separate modulator output pins for each channel
  • Separate data ready pin for easy synchronization
  • Individual 24-bit digital offset and gain error correction for each channel
  • High-speed 20MHz SPI interface with mode 0,0 and 1,1 compatibility
  • Continuous Read/Write modes for minimum communication
  • Low power consumption (8.9mW at 3.3V, 5.6mW at 3.3V in low-power mode, typical)

Applications

  • Energy metering and power measurement
  • Automotive
  • Portable instrumentation
  • Medical and power monitoring
  • Audio/voice recognition

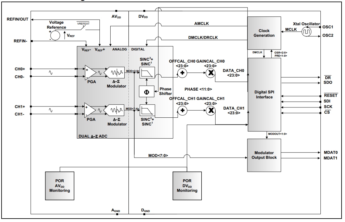
Functional Block Diagram

Block Diagram - Microchip Technology MCP3911 3.3V Two-Channel Analog Front End
Publicado: 2012-05-02 | Actualizado: 2023-08-15