Mikroe MIKROE-3399 Light Temp Click

Mikroe MIKROE-3399 Light Temp Click is a dual-channel LED driver designed for Smart Connected Lighting (SCL). This Mikroe click comes with an onboard Diodes Inc. AL1782 dual-channel PWM dimmable linear LED driver and Microchip MCP3221 low-power 12-bit A/D converter with an I2C interface. The light temp click employs E-flicker-free technology with deep dimming capability that comes to use in both single-channel dimmable white and dual-channel tunable white SCL. This click features an adaptive thermal management scheme that reduces power dissipation and integrates under-voltage, open or short circuit at the output, and thermal protection. Typical applications include smart lighting, SCL LED bulbs, driving LED strips, and high-power LEDs.

Features

  • Dual-channel LED driver
  • Onboard modules
    • AL1782 dual-channel PWM dimmable linear LED driver
    • MCP3221 low-power 12-bit A/D converter
  • Protection features
    • Under-voltage protection
    • Open or short-circuit protection at the output
    • Thermal protection
  • High-frequency E-flicker-free technology with deep dimming capability
  • Adaptive thermal management scheme
  • I2C and PWM interface
  • 3.3V input voltage
  • 42.9mm x 25.4mm dimension

Light Temp Click Overview

Mikroe MIKROE-3399 Light Temp Click

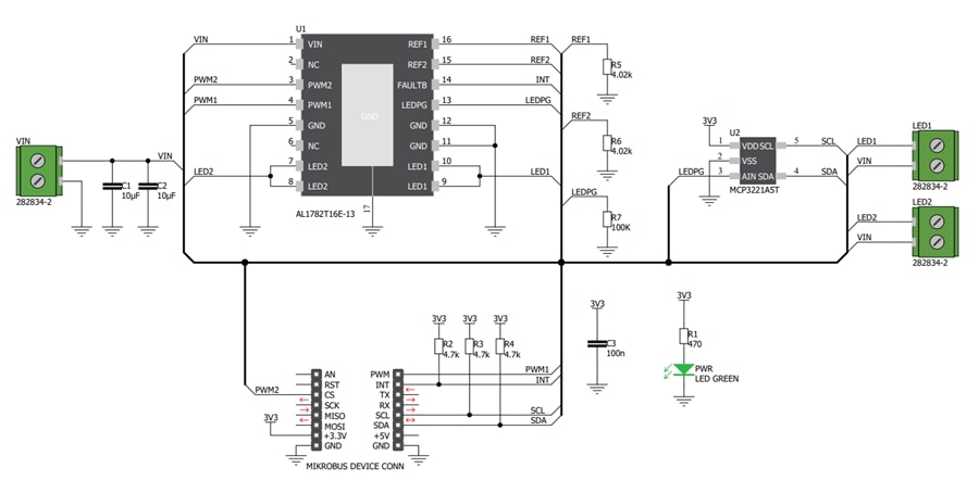
Light Temp Click Schematic Diagram

Schematic - Mikroe MIKROE-3399 Light Temp Click
Publicado: 2019-05-02 | Actualizado: 2023-09-28