Mitsubishi Electric DIPIPM™ Modules

Mitsubishi Electric DIPIPM™ Modules implement single-control power supply and photocoupler-less systems, ideal for household appliances and low-capacity inverters. The DIPIPM modules feature a built-in bootstrap diode (BSD) and a compact board. The high-voltage IC is equipped with drive, protection, and level-shift circuits for direct control from input signals via a CPU or microcomputer. Mitsubishi Electric DIPIPM Modules utilize a transfer-molded structure that incorporates a high thermal conductivity insulation sheet to provide heat. The DIPIPM lineup includes the SLIMDIP™, Super Mini, Mini, Large, and DIPIPM+™ series.

Features

  • Transfer-molded structure
  • Built-in BSD
  • Equipped with drive, protection, and level-shift circuits
  • Compact board

Applications

  • Home appliances
    • Washing machines
    • Refrigerators
    • Air conditioners
    • Fan motors
  • Renewable energy
    • AC motors
    • Robots
    • Inverters
    • Wind power

Specifications

  • High active input of 3V to 5V
  • 1500V, 2000, or 2500Vrms insulation voltage
  • Open emitter pin of N-side
  • Insulation sheet structure
  • RoHS compliant

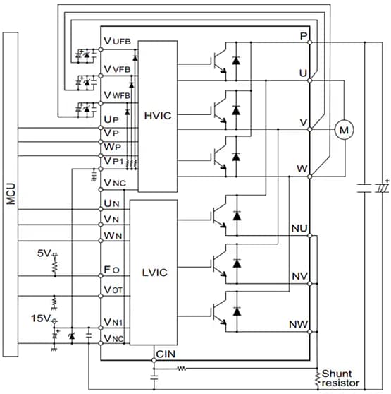
SLIMDIP Wiring Example

Mechanical Drawing - Mitsubishi Electric DIPIPM™ Modules

Application Circuit (Super Mini)

Application Circuit Diagram - Mitsubishi Electric DIPIPM™ Modules
Publicado: 2020-08-21 | Actualizado: 2024-10-29