Monolithic Power Systems (MPS) EVQ4262 Evaluation Board

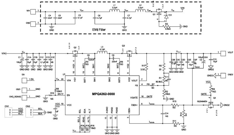
Monolithic Power Systems (MPS) EVQ4262 Evaluation Board evaluates the MPQ4262 buck-boost converter with two integrated low-side MOSFETs. The Monolithic Power Systems (MPS) MPQ4262 delivers up to 100W peak output power with high efficiency across its input range. Designed for USB Power Delivery (PD) applications, the MPQ4262 works with external USB PD controllers via an I2C interface. Its features are configurable through I2C and One-Time-Programmable (OTP) memory. Protection includes constant-current limiting, output over-voltage protection (OVP), and thermal shutdown. The MPQ4262 requires a few standard external components and comes in a 3mm x 5mm QFN-20 package.

Features

  • 12V input voltage
  • 5V output voltage
  • 3A output current
  • 420kHz switching frequency
  • Default operating status on

Applications

  • USB power delivery hubs
  • USB power delivery charging ports
  • Wireless charging

SCHEMATIC

Monolithic Power Systems (MPS) EVQ4262 Evaluation Board
Publicado: 2024-10-23 | Actualizado: 2024-11-06