NXP Semiconductors TEA2096T Synchronous Rectifier Controller

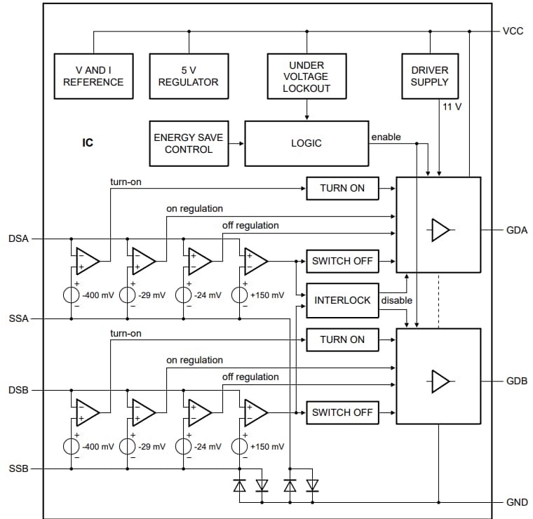
NXP Semiconductors TEA2096T Synchronous Rectifier Controller is ideal for switched-mode power supplies. The TEA2096T incorporates an adaptive gate drive method for maximum efficiency at any load. The controller can be used for synchronous rectification on the secondary side of resonant converters. It has two driver stages for driving the SR MOSFETs, which rectify the outputs of the central tap secondary transformer windings.

Features

  • Efficiency features
    • Adaptive gate drive for maximum efficiency at any load
    • Supply current in energy save operation of 80μA
    • Regulation level of −29mV for driving low-ohmic MOSFETs
  • Application features
    • Drain sense voltage to 200V
    • Wide supply voltage range from 4.5V to 38V
    • Dual synchronous rectification for LLC resonant
    • Supports 5V operation with logic level SR MOSFETs
    • Differential inputs for sensing the drain and source voltages of each SR MOSFET
    • SO8 package
  • Control features
    • SR control without minimum on-time
    • Adaptive gate drive for fast turn-off at the end of the conduction
    • Undervoltage lockout (UVLO) protection with active gate pull-down
    • Interlock function to prevent simultaneous conduction of the external MOSFETs
    • Supports 1MHz switching frequency

Applications

  • Adapters
  • Power supplies for desktop PC and all-in-one PC
  • Power supplies for television
  • Power supplies for servers
  • Power supplies for industrial applications

Block Diagram

Block Diagram - NXP Semiconductors TEA2096T Synchronous Rectifier Controller
Publicado: 2022-11-03 | Actualizado: 2023-01-11