NXP Semiconductors TEA2376xT Configurable Interleaved PFC Controllers

NXP Semiconductors TEA2376xT Configurable Interleaved PFC Controllers are digital two-phase devices for high-efficiency power supplies. The PFC controllers operate in discontinuous conduction mode or quasi-resonant mode with valley switching to optimize efficiency. The TEA2376xT components enable the building of an interleaved power factor controller, which is easy to design with a low external component count. The digital architecture is based on a high-speed configurable hardware state machine ensuring reliable real-time performance. To meet specific application requirements, many operation and protection settings of the PFC controller can be adjusted by loading new settings into the device with I2C during power supply development. These devices are available in low-profile and narrow body width (3.9mm) plastic SO10 or SO14 packages.

For a high power factor and a low total harmonic distortion (THD), input current shaping is used. A notch filter allows a faster transient response by suppressing the mains frequency component in the regulation loop, while maintaining a low THD. For low-load operation with good efficiency, phase shedding and burst mode operation are included. To meet the efficiency and standby power regulations of Energy Star, the Department of Energy, the Eco-design directive of the European Union, the European Code of Conduct, and other guidelines, the power consumption of the IC is reduced in burst mode operation.

The TEA2376xT contains many protections, like internal and external overtemperature protection (OTP), overcurrent protection (OCP), dual overvoltage protection (OVP), inrush current protection (ICP), pin open, pin short protection, and phase fail protection. The protections can be configured independently and using programmable parameters. The NXP Semiconductors TEA2376xT Configurable Interleaved PFC Controllers allow an easy to design, highly efficient, and reliable interleaved PFC, for power levels up typically to 1000W.

Features

  • Interleaved PFC controllers in an SO10 (TEA2376AT) or SO14 (TEA2376BT and TEA2376DT) package, plastic with 3.9mm body width
  • Programmable phase shedding and burst mode operation
  • Dual output over voltage protection
  • Inrush current protection
  • High power factor (PF) and low total harmonic distortion (THD), also at high input voltages
  • Many parameters can be configured during evaluation with the use of a user-friendly graphical user interface (GUI)
  • Good phase control over full input voltage range
  • Low audible noise
  • Valley/zero voltage switching for minimum switching losses
  • High efficiency from high load to medium load and low load by phase shedding and burst mode operation
  • Protections can independently be set to latched, safe restart, or latched after several attempts to restart
  • Dual output overvoltage protection (OVP)
  • Supply undervoltage protection (UVP) and overvoltage protection (OVP)
  • Internal and external overtemperature protection (OTP)
  • Overcurrent protection (OCP)
  • Inrush current protection (ICP)
  • Brown-in/brown-out protection
  • Open and short pin protection
  • Coil short protection
  • Output diode short protection
  • Open control loop protection
  • Phase fail protection
  • Additional features for the TEA2376DT
    • Power good output and a burst mode input pin
    • Live monitoring of (internal) IC status values over time with the help of the user-friendly GUI similar to oscilloscope reading
    • I2C communication while in operation

Applications

  • HD and U-HD television
  • Servers
  • Desktops and all-in-one PCs
  • Gaming consoles
  • High-power adapters
  • 5G supplies
  • Home audio

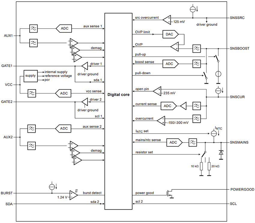
TEA2376AT/TEA2376BT Block Diagram

Block Diagram - NXP Semiconductors TEA2376xT Configurable Interleaved PFC Controllers

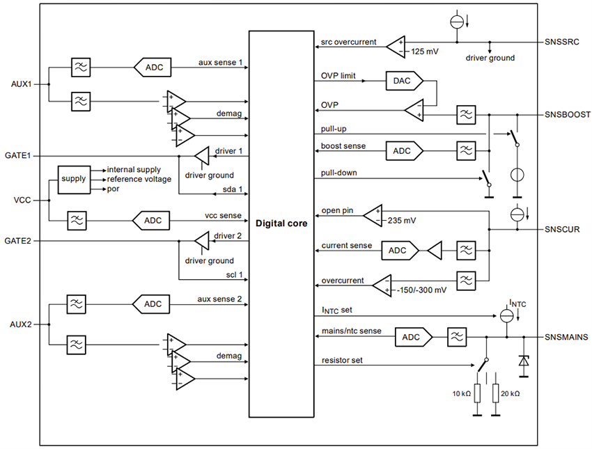
TEA2376DT Block Diagram

Block Diagram - NXP Semiconductors TEA2376xT Configurable Interleaved PFC Controllers
Publicado: 2024-04-02 | Actualizado: 2024-04-09