onsemi NCP1680 CrM Totem Pole PFC Controller ICs
onsemi NCP1680 Critical Conduction Mode (CrM) Totem Pole Power Factor Correction (PFC) Controller ICs are designed to drive the bridgeless Totem Pole PFC topology. The bridgeless Totem Pole PFC consists of two Totem Pole legs: a fast switching leg driven at the PWM switching frequency and a second leg that operates at the AC line frequency. This topology eliminates the diode bridge present at the input of a conventional PFC circuit, allowing significant improvement in efficiency and power density.An internally compensated digital loop control implements a constant on-time CCM architecture with valley switching. Cycle-by-cycle current limit is realized without a Hall-effect sensor. The NCP1680 components operate across 90VAC to 265VAC range at up to 350W. At 300W and a 230VAC mains input, up to 99% efficiency is attainable. These SOIC-16 packaged devices comply with Energy Efficiency Regulations and are Lead-free and Halide-free. The NCP1680 Controller ICs from onsemi are ideal for use in power factor correction and offline power supply applications.
Features
- Totem Pole PFC topology eliminates input diode bridge
- Critical Conduction Mode (CRM) operation
- Discontinuous Conduction Mode (DCM) with valley turn on under light load condition
- Frequency foldback in DCM with 25kHz minimum frequency
- Skip mode in very light load condition
- Proprietary current sense scheme
- Digital voltage loop compensation
- AC line monitoring circuit
- AC phase detection
- Near unity power factor in all operating modes
- PFC OK indicator
- Optimized performance across all power levels
- SOIC-16 package type
- Moisture Sensitivity Level (MSL) 1
- Lead-free and Halide-free
Applications
- Industrial Power Supplies
- Telecom 5G Power
- Networking Power
- Gaming Console Power Supplies
- UHD TV Power Supplies
- Computing Power Supplies
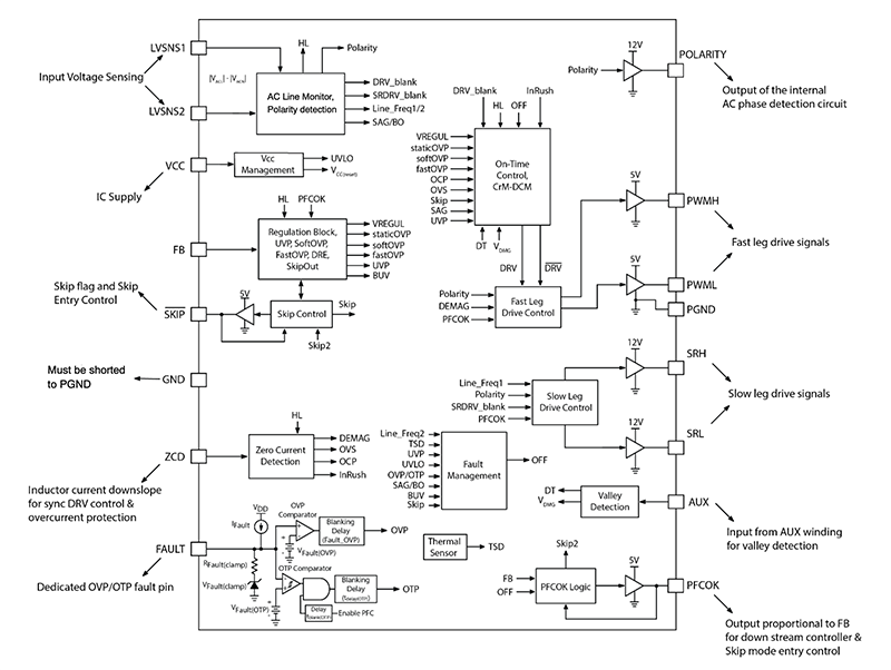
Block Diagram
Publicado: 2021-06-24
| Actualizado: 2025-03-04
