onsemi NTMFS003P03P8Z P-Channel MOSFET
onsemi NTMFS003P03P8Z P-Channel MOSFET is a single, -30V MOSFET available in 5mm x 6mm for space saving and excellent thermal conduction. This P-channel MOSFET features 1.8mΩ ultra-low RDS(on) to improve system efficiency and -234A drain current. The NTMFS003P03P8Z P-channel MOSFET operates at -55°C to150°C junction and storage temperature range. This MOSFET is a Pb-free, halogen-free/BFR-free, and RoHS-compliant device. The NTMFS003P03P8Z MOSFET is suitable for power load switch, reverse current protection, over-voltage protection, and reverse negative voltage protection, and battery management.Features
- Ultra-low RDS(on) to improve system efficiency
- ±25V Gate-to-Source voltage (VGS)
- -30V Drain-to-Source Voltage (VDS)
- Advanced package technology in 5mm x 6mm for space saving and excellent thermal conduction
- Devices are Pb-free, halogen-free/BFR-free, and RoHS-compliant
Applications
- Power load switch
- Protections:
- Reverse current
- Over-voltage
- Reverse negative voltage
- Battery management
P-Channel MOSFET
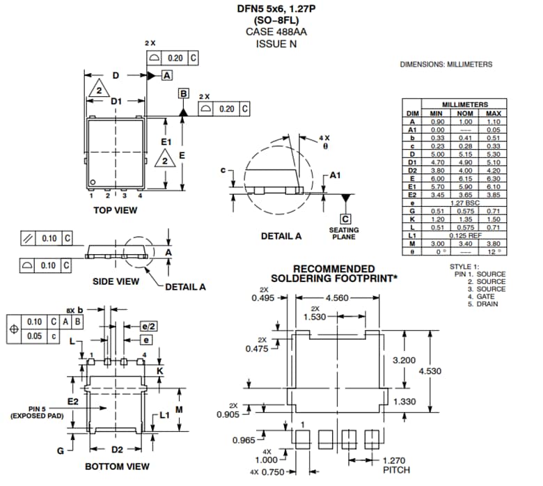
Dimension Drawing
Publicado: 2025-02-04
| Actualizado: 2025-02-12
