Qorvo QPC2511 30W GaN SP3T Switch
Qorvo QPC2511 30W GaN (Gallium Nitride) SP3T Switch is a Single-Pole Triple-Throw switch fabricated on a proprietary QGaN15 0.15µm GaN on SiC production process. The throws are specifically designed for high frequency and RF power (30W) S-band and X-band transmission linear power handling. The remaining throw is a wide-band (≥11GHz) low-pass receive path that can operate linearly up to 10W. The QPC2511 maintains low insertion loss (approximately 1.5dB in X-band) and 20dB isolation, making it ideal for high frequency and RF power switching applications across defense and commercial platforms.The Qorvo QPC2511 30W GaN SP3T Switch is offered in a 4.0mm x 4.0mm Air Cavity Laminate package and is lead-free and RoHS compliant.
Features
- 2GHz to 11GHz frequency range
- 10W input power for wide-band Rx
- 30W input power for S-band and X-band Tx
- 1.5dB insertion loss
- 20dB isolation (typical)
- 50ns switching speed
- 0V, -30V control voltages
- -40°C to +85°C operating temperature range
- 4.0mm x 4.0mm x 1.48mm Air Cavity Laminate package
- Halogen-free, lead-free, and RoHS compliant
Applications
- Commercial and military radar
- Communications
- Electronic Warfare
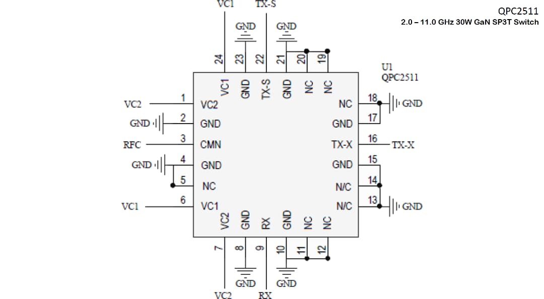
Block Diagram
Typical Application Circuit
Publicado: 2021-12-02
| Actualizado: 2022-03-11
