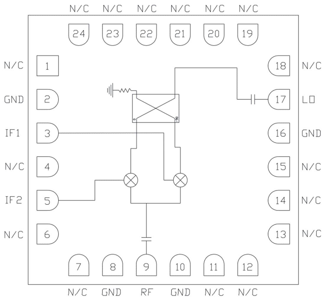
Qorvo QPX0001 6-26GHz I/Q Mixer
Qorvo QPX0001 6-26GHz I/Q Mixer is a compact, wideband I/Q GaAs mixer housed in a 3.9mm x 3.9mm air cavity surface mount ceramic package. Operating over the 6GHz to 26GHz bandwidth, the mixer can be configured as an image reject mixer, a single sideband upconverter, or a QPSK modulator/demodulator. The QPX0001 utilizes two double balanced mixer cells and a 90⁰ hybrid internal to the MMIC. An external 90⁰ IF hybrid is required to complete the image rejection or sideband suppression. The Qorvo QPX0001 is a much smaller alternative to higher-cost hybrid I/Q Mixers and single sideband upconverter assemblies.Features
- I, Q outputs
- 6GHz to 26GHz RF, LO frequency range
- DC – 3GHz IF frequency range
- Low conversion loss of 8dB at 14GHz
- High image rejection of 25dB
- High LO/RF isolation > 45dB at 14GHz
- Wide operating bandwidth
- 3.9mm x 3.9mm x 0.9mm package dimensions
Applications
- Image reject downconversion
- Single-sideband modulation
- Low noise receiver systems
- Phase detection
- Electronic Warfare (EW)
- QPSK modulation/demodulation
Functional Block Diagram
Publicado: 2021-05-28
| Actualizado: 2022-03-11
