Renesas Electronics 4-Switch Synchronous Buck-Boost Controllers
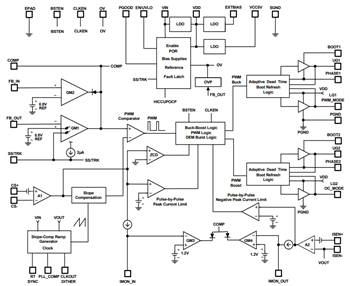
Renesas Electronics 4-Switch Synchronous Buck-Boost Controllers feature peak and average current sensing and monitoring at both ends. The ISL81401 is a bidirectional device that conducts current in both directions, while the ISL81401A is a unidirectional device. The ISL81401, ISL81401A, and ISL81601 use the proprietary buck-boost control algorithm with valley current modulation for Boost mode and peak current modulation for Buck mode control. The ISL81601 device's wide input and output voltage ranges make it suitable for industrial, telecommunication, and after-market automotive applications.Features
- Single inductor 4-switch buck-boost controller
- On-the-fly bidirectional operation with independent control of voltage and current on both ends
- Proprietary algorithm for smoothest mode transition
- MOSFET drivers with adaptive shoot-through protection
- Input voltage range
- ISL81401, ISL81401A 4.5V to 40V
- ISL81601 4.5V to 60V
- Output voltage range
- ISL81401, ISL81401A 0.8V to 40V
- ISL81601 0.8V to 60V
- Supports pre-biased output with SR soft-start
- Programmable frequency 100kHz to 600kHz
- Supports parallel operation current sharing with cascade phase interleaving
- External sync with clock out or frequency dithering
- External bias
- ISL81401, ISL81401A 5V to 36V input
- ISL81601 8V to 36V input
- Output and input current monitor
- Selectable PWM mode operation between PWM/DE/Burst modes
- Accurate EN/UVLO and PGOOD indicator
- Low shut down current 2.7µA
- Complete protection OCP, SCP, OVP, OTP, and UVP
- Dual-level OCP protection with average current and pulse-by-pulse peak current limit
- Selectable OCP response with either hiccup or constant current mode
- Negative pulse-by-pulse peak current limit
Applications
- Battery backup
- UPS/storage systems
- Battery powered industrial applications
- Renewable energy
- Aftermarket automotive
- Redundant power supplies
- Robot and drones
- Medical equipment
- Building and industrial automation
- Security surveillance
Publicado: 2018-10-08
| Actualizado: 2023-02-09
