Renesas Electronics RV1S9x6xA Intelligent Power Module (IPM) Drives

Renesas Electronics RV1S9x6xA Intelligent Power Module (IPM) Drives use a small PDD to reduce the dead time for high-precision control applications. The RV1S9x6xA Drives implement high noise rejection, enabling a SiC MOSFET and a high-speed IGBT with lower power switching loss. The Renesas RV1S9x6xA IPM Drives are compatible with equipment downsizing in an LSSOP package that offers 35% smaller mounting space compared to LSO5.

Features

  • 25ns Max. PDD
  • 125°C Max. ambient operating temperature
  • Output type
    • Active high (RV1S9x61A)
    • Active low (RV1S9x62A)
  • 100kV/us min. High noise rejection (CMR)
  • Package lineup
    • SO5 – 4.2mm creepage distance
    • LSO5 – 8mm creepage distance
    • LSSO5 – 8.2mm creepage distance

Applications

  • Motor control for industrial automation
    • AC servo
    • NC servo
    • Robot controller
    • Inverter
    • Solar inverter

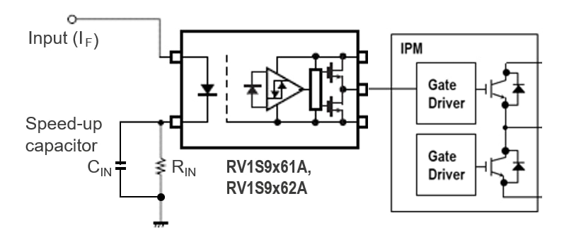
Functional Diagram

Block Diagram - Renesas Electronics RV1S9x6xA Intelligent Power Module (IPM) Drives
Publicado: 2022-06-07 | Actualizado: 2022-07-01