ROHM Semiconductor RB-D610Q339TB64 Reference Board
ROHM Semiconductor RB-D610Q339TB64 Reference Board is designed to facilitate the development and testing of applications using the ML610Q339, an 8-bit microcontroller optimized for speech playback. This reference board integrates the ML610Q339 MCU, which is equipped with dedicated speech synthesis capabilities, making it ideal for voice-based systems. The board supports audio playback through an integrated DAC and audio driver, enabling simple analog output to external speakers. It also features internal ROM for storing speech data, with options for expanding storage via external flash memory.With a focus on low power consumption, the ROHM Semiconductor RB-D610Q339TB64 board is well-suited for battery-powered applications such as voice-enabled toys, alarms, and notification systems. The compact form factor and easy integration make it an excellent platform for rapid prototyping, and it comes with development tools like sample code and hardware schematics to accelerate the design process.
Features
- ML610Q339 8-bit speech playback MCU
- Designed for voice synthesis, sound effects, and audio output for embedded systems
- Onboard audio playback
- Flexible audio storage
- Low power consumption
- Integrated audio driver
- Includes a range of I/O interfaces such as switches, buttons, and LEDs, enabling user interaction and feedback in speech-based applications
- Ease of integration
- Compact form factor, 93.98mm x 55.88mm size
- 2V to 5.5V operating supply range
- Can be combined with on-chip debug tool EASE1000 V2 and software development environment (DUT8 and MWU16) to do the following:
- Development and debugging of the MCU control software
- Programming control and sound code data to the MCU internal Flash-ROM
- Voice playback by the MCU
Applications
- Consumer electronics
- Internet of Things (IoT) devices
- Automotive electronics
- Industrial automation
- Toys and educational products
- Security systems
- Wearables
Overview
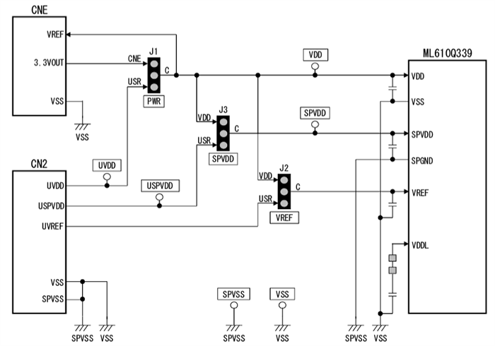
Power Circuit
PCB Layout
Publicado: 2024-12-23
| Actualizado: 2024-12-30
