Rubycon AX Radial Lead Aluminum Electrolytic Capacitors

Rubycon AX Radial Lead Aluminum Electrolytic Capacitors feature a 6.3VDC to 400VDC voltage ratings, ±20% capacitance tolerance, and RoHS compliance. The AX series offers an ultra-miniaturized design and a 50mA to 2480mA rated ripple current. Rubycon AX Radial Lead Aluminum Electrolytic Capacitors have a 5mm x 7mm to 12.5mm x 16mm dimensions range. 

Features

  • 6.3VDC to 400VDC rated voltage
  • ±20% capacitance tolerance
  • 4.7µF to 1200µF capacitance rating
  • 50mA to 2480mA rated ripple current
  • 5mm x 7mm to 12.5mm x 16mm dimensions
  • 1000 hours to 2000 hours of load life at +105°C
  • RoHS compliant
  • -40°C to +105°C temperature range

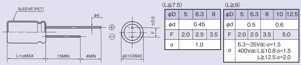
Dimensions

Chart - Rubycon AX Radial Lead Aluminum Electrolytic Capacitors
Publicado: 2019-08-12 | Actualizado: 2023-06-30