Semtech GS2972 3G/HD/SD-SDI Serializers
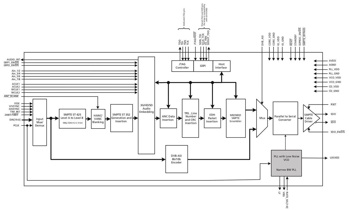
Semtech GS2972 3G/HD/SD-SDI Serializers generate an SMPTE ST 424, SMPTE ST 292, SMPTE ST 259-C, or DVB-ASI compliant serial digital output signal. The integrated Narrow BW PLL allows the device to accept parallel clocks with high input jitter. The devices provide an SMPTE-compliant serial digital output. The device can operate in four basic user-selectable modes: SMPTE mode, DVB-ASI mode, data-through mode, or standby mode.Features
- Operation at 2.970Gb/s, 2.970/1.001Gb/s, 1.485Gb/s, 1.485/1.001Gb/s and 270Mb/s
- Supports SMPTE ST 425 (Level A and Level B), SMPTE ST 424, SMPTE ST 292, SMPTE ST 259-C and DVB-ASI
- Integrated cable driver
- Integrated, low-noise VCO
- Integrated narrow-bandwidth PLL
- Integrated audio embedder for up to 8 channels of 48kHz audio
- Ancillary data insertion
- Optional conversion from SMPTE ST 425 Level A to Level B for 1080p 50/60 4:2:2 10-bit
- Parallel data bus selectable as either 20-bit or 10-bit
- SMPTE video processing, including TRS calculation and insertion, line number calculation and insertion, line-based CRC calculation and insertion, illegal code re-mapping, SMPTE ST 352 payload identifier generation and insertion
- GSPI host interface
- +1.2V digital core power supply, +1.2V, and +3.3V analog power supplies, and selectable +1.8V or +3.3V I/O power supply
- -20ºC to +85ºC operating temperature range
- Low power operation (typically at 400mW, including cable driver)
- Small 11mm x 11mm 100-ball BGA package
- Pb-free and RoHS compliant
Applications
- 1080p 50/60 camera/camcorder
- Dual-link (HD-SDI) to single-link (3G-SDI) converter
- Multi-format audio embedder module
- Multi-format digital VTR/video server
- Multi-format presentation switcher (output stage)
- 3Gb/s SDI test signal generator
Block Diagram
Publicado: 2022-11-03
| Actualizado: 2023-05-18
