Gigavac GX21 150A Contactors

Gigavac GX21 150A Contactors offer a 12VDC to 800VDC voltage range, IP67/69K environmental seal, and a +85°C maximum operating temperature rating. These contacts are hermetically sealed and feature stand-up mounting with an integrated safety cover; there is no need for specially routed power cables, bus bars, or lugs. The high-efficiency dual DC coils provide low 12VDC or 24VDC continuous coil power with no EMI emissions or crosstalk on the system control power, making these contactors ideal for battery-powered systems. Gigavac GX21 150A Contactors are not position-sensitive and can be mounted in any position for easy installation.

Features

  • Stand-up mounting with integrated safety cover
  • Rugged EPIC® seal rated to +175°C
  • Hermetically sealed
  • High-efficiency dual DC coils
  • Built-in coil suppression for all DC coils
  • Stainless steel nuts and mounting inserts
  • Not position-sensitive
  • Suitable for battery-powered systems

Specifications

  • UL 1604 for Class I and II, Div 2, and Class III for use in hazardous locations
  • IP67 for temporary water immersion for 30 minutes
  • IP69K for pressure washing
  • ISO 8846 for protection against ignition around flammable gasses
  • SAE J1171 for external ignition protection
  • 150A continuous current rating
  • 1M cycles of mechanical life
  • 0.4mΩ maximum contact resistance
  • -55°C to +85°C operating temperature range

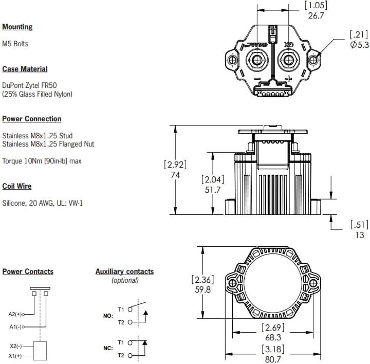
Dimensions

Mechanical Drawing - Gigavac GX21 150A Contactors
Publicado: 2024-11-19 | Actualizado: 2024-12-06