Silvertel Ag9900 Power-over-Ethernet (PoE) Modules

Silvertel Ag9900 Power-over-Ethernet (PoE) Modules are designed to extract power from a conventional twisted pair category 5 Ethernet cable. These modules comply with the IEEE802.af standard. The Ag9900-LPB (low-profile SMT) variants measure 21mm x 14mm x 8mm, and the Ag9900-MTB (MST) variants measure 21mm x 14mm x 13mm dimensions. These Ag9900-LPB/MTB modules are available in Surface Mount (SMT) or through-hole options. The DC-DC converter includes a built-in short-circuit output protection and offers regulated output.

The Ag9900 PoE modules feature overload protection, short-circuit protection, and over-temperature protection functions (MT, MTB, and LPB). These modules are used in IoT sensors, smart buildings, smart speaker systems, IP cameras, thermostats, wall-mount appliances, home automation appliances, and IoT-connected device applications.

Features

  • Small IEEE802.3af compliant PoE module
  • 40% smaller than other PoE solution
  • 3V, 5V, 12V, and 24V output voltage versions
  • 36V to 57V input voltage range
  • MTB and LPB variants available in tray or tape and reel packaging
  • 1.5kV isolation voltage
  • Surface mount module and through-hole options
  • Overload and short-circuit protection
  • Over-temperature protection option (MT, MTB, and LPB)
  • Low cost and simple integration
  • Designed and manufactured in the UK

Applications

  • IoT-connected devices
  • Industrial IoT-connected devices
  • Smart conference systems
  • IoT sensors
  • Security requirements
  • CCTV security cameras
  • Smart speaker systems
  • Audio-visual systems
  • Access control and smart locks
  • Industrial sensors
  • IP cameras
  • IP phones
  • Wall mount appliances
  • Smoke detectors
  • Smart thermostats
  • Point of sale terminals
  • Smart security systems
  • Call systems
  • Door entry systems and video doorbell systems

Block Diagram

Block Diagram - Silvertel Ag9900 Power-over-Ethernet (PoE) Modules

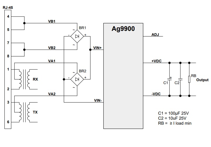
Typical Connection Diagram

Application Circuit Diagram - Silvertel Ag9900 Power-over-Ethernet (PoE) Modules

Product Selector

Silvertel Ag9900 Power-over-Ethernet (PoE) Modules
Publicado: 2025-02-13 | Actualizado: 2025-10-25