STMicroelectronics EVL6480 Stepper Motor Driver Evaluation Board

STMicroelectronics EVL6480 Stepper Motor Driver Evaluation Board is based on the L6480 and provides an affordable and easy-to-use solution to drive a stepper motor in the user's application. The L6480 device is an advanced, fully integrated solution suitable for driving micro-stepping two-phase bipolar stepper motors. It combines a dual full-bridge gate driver for N-channel MOSFET power stages with embedded non-dissipative overcurrent protection. Thanks to a unique voltage driving mode, which compensates for BEMF, bus voltage, and motor winding variations, the micro-stepping of a true 1/128-step resolution is achieved. The digital control core can generate user-defined motion profiles with acceleration, speed, deceleration, or target position, easily programmed through a dedicated set of registers. All commands and data registers are sent through a standard 5Mbit/s SPI, including those used to set analog values (such as current control value, current protection trip point, dead time, etc.). A complete set of protections (thermal, low bus voltage, overcurrent, and motor stall) fully protects the L6480 device, as required by the most demanding motor control applications.

The STMicroelectronics EVL6480 is compatible with the Arduino® UNO R3 connector, and it supports the addition of other boards, which can be stacked to drive up to three stepper motors.

Features

  • Voltage range from 7.5V to 85V
  • Low RdsON MOSFETs in the DPAK package
  • Voltage mode driving
  • Fully protected power stage
  • Micro-stepping resolution up to 1/128
  • Compatible with Arduino UNO R3 connector
  • Suitable for multi-motor solutions
  • RoHS compliant

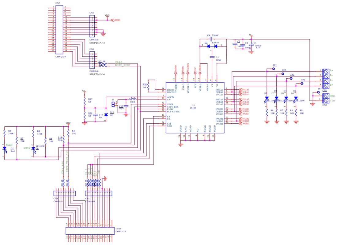
Board Schematic

Schematic - STMicroelectronics EVL6480 Stepper Motor Driver Evaluation Board
Publicado: 2024-10-31 | Actualizado: 2024-11-07