STMicroelectronics EVALSTGAP2HSCM Gate Driver Demonstration Board

STMicroelectronics EVALSTGAP2HSCM Gate Driver Demonstration Board allows evaluation of all the STGAP2HSCM features while driving a half-bridge power stage with a voltage rating up to 1200V in TO-220 or TO-247 package. The gate driver is characterized by 4A current capability and rail-to-rail outputs. This feature also makes the gate driver suitable for high-power inverter applications such as motor drivers in industrial applications equipped with MOSFET / IGBT power switches. The configuration features a single output pin and Miller CLAMP function, which allows for avoiding gate spikes during fast commutations in half-bridge topologies.

The device integrates protection functions, such as UVLO and thermal shutdown, are included to easily design high-reliability systems. Dual input pins allow choosing the control signal polarity and also implementing HW interlocking protection to avoid cross-conduction in case of controller's malfunction. The device allows implementing negative gate driving, and the onboard isolated DC-DC converters allow working with optimized driving voltage for MOSFET/IGBT. The STMicroelectronics EVALSTGAP2HSCM allows for easy selecting and modifying the values of relevant external components to ease driver performance evaluation under different applicative conditions and fine pre-tuning of the final application’s components.

Features

  • Board
    • High voltage rail up to 1200V
    • Negative gate driving
    • Onboard isolated DC-DC converters to supply high-side and low-side gate drivers, fed by VAUX = 5V, with 5.2kV maximum isolation
    • 3.3V VDD logic supply generated onboard or 5V (externally applied)
    • Easy jumper selection of driving voltage configuration: +15/0V, +15/-3V, +19/0V, or +19/-3V
  • Device
    • 4A source/sink driver current capability at +25°C
    • 6000V galvanic isolation
    • 75ns short propagation delay
    • UVLO function
    • Gate driving voltage up to 26V
    • 3.3V, 5V TTL/CMOS inputs with hysteresis
    • Temperature shutdown protection
    • Standby function
    • 4A Miller CLAMP

Applications

  • Motor drivers
    • Home appliances
    • Factory automation
    • Industrial drives
    • Fans
  • 600/1200V inverters
  • Battery chargers
  • Induction heating
  • Welding
  • UPS
  • Power supply units
  • DC-DC converters
  • Power factor correction

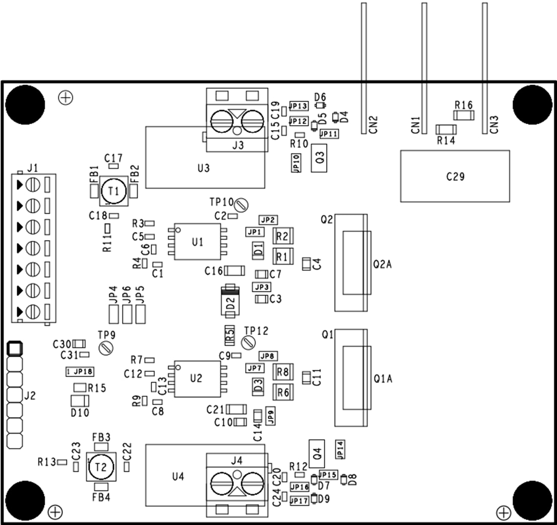
Board Layout

Mechanical Drawing - STMicroelectronics EVALSTGAP2HSCM Gate Driver Demonstration Board
Publicado: 2020-10-02 | Actualizado: 2025-01-03