STMicroelectronics STEVAL-MKI238A Adapter Board

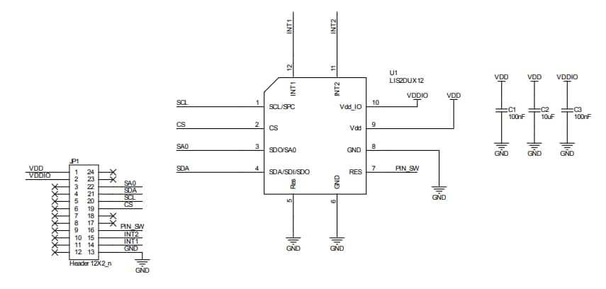
STMicroelectronics STEVAL-MKI238A Adapter Board implements the evaluation of the LIS2DUX12 MEMS devices. The LIS2DUX12 ultra-low-power accelerometer is a smart, digital, 3-axis linear accelerometer. The STEVAL-MKI238A board offers fast system prototyping and device evaluation directly within a user’s application. The STEVAL-MKI238A plugs into a standard DIL 24 socket. The board supplies the complete LIS2DUX12 pinout and embeds the needed decoupling capacitors on the VDD power supply line.

The STEVAL-MKI109V3 motherboard is fully compatible with the adapter and includes a high-performance 32-bit microcontroller. The MCU functions as a bridge between the sensor and the PC. This makes it possible to use a downloadable graphical user interface (Unico-GUI) or dedicated software routines for customized applications.

The STM STEVAL-MKI238A adapter board can plug into the board into an X-NUCLEO-IKS01A3 expansion board.

Features

  • Complete LIS2DUX12 pinout for a standard DIL 24 socket
  • Fully compatible with the STEVAL-MKI109V3 motherboard
  • RoHS compliant

Circuit Schematic

Schematic - STMicroelectronics STEVAL-MKI238A Adapter Board
Publicado: 2023-02-03 | Actualizado: 2023-02-08